安定器电路图

数模双环路hid 安定器的设计
图片尺寸2060x1188
氙气灯电路和pcb制作资料免费下载
图片尺寸643x441
cn201119096y_一种汽车氙气前大灯镇流器高压触发电路失效
图片尺寸1660x1029
常见电容器应用电路知识: 1.
图片尺寸723x370
基于l6574的58w镇流器电路
图片尺寸727x341
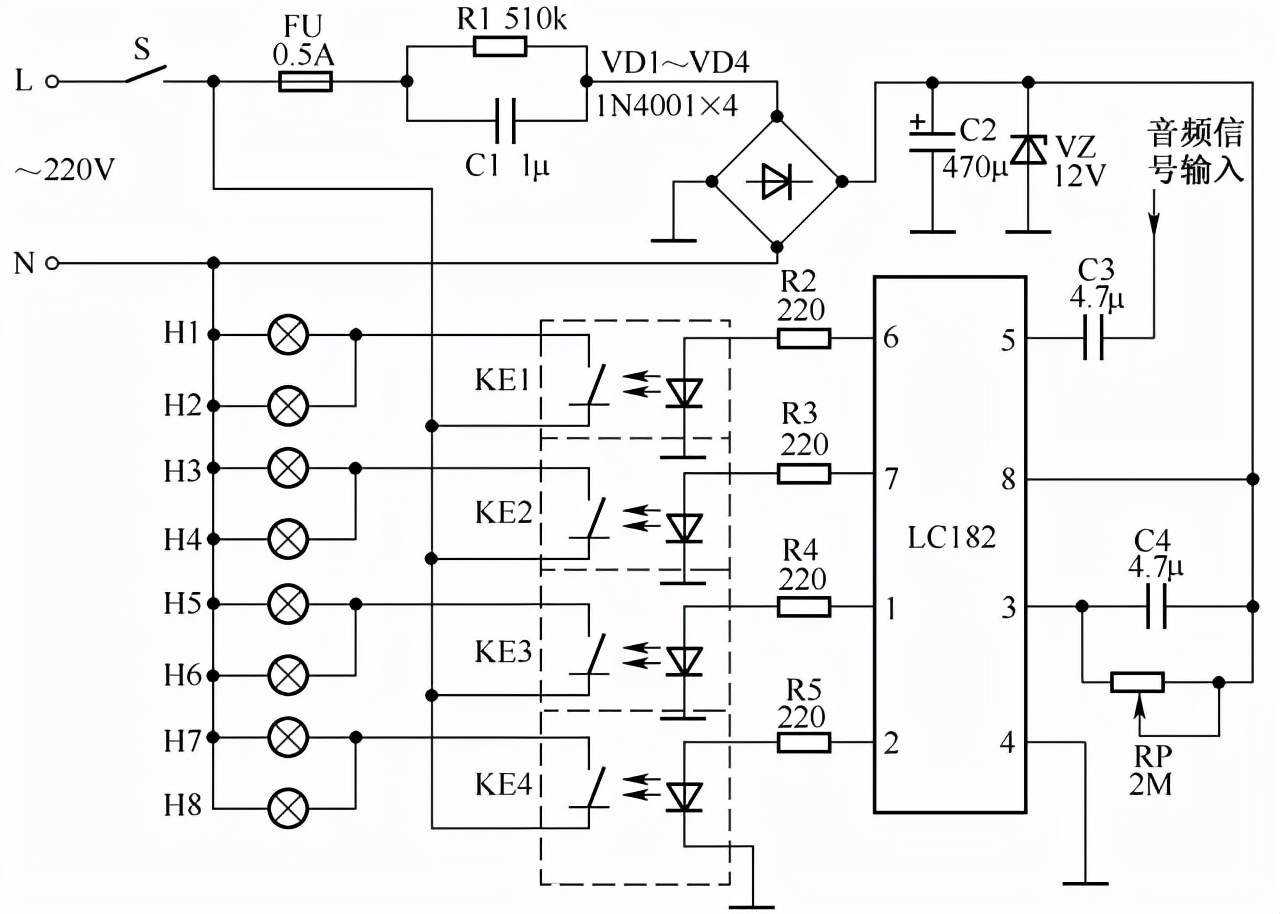
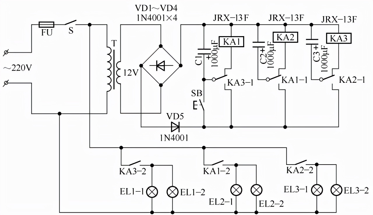
霓虹灯闪光电路26,应急照明灯电路27,微光调光定时有线遥控器电路28
图片尺寸1280x914
霓虹灯闪光电路26,应急照明灯电路27,微光调光定时有线遥控器电路28
图片尺寸1280x738
6a精密开关稳压电源电路-电子镇流器电路图-电子产品世界
图片尺寸1540x775
霓虹灯闪光电路26,应急照明灯电路27,微光调光定时有线遥控器电路28
图片尺寸640x360
有源高功率因数预热启动电子镇流器
图片尺寸1066x443
30,双荧光灯户外广告双灯管接线电路31,荧光灯节能电子镇流器电路(之
图片尺寸1164x526
ew-8w电子镇流器电路图
图片尺寸635x440
本电路图介绍了电路设计频率为300hz左右,目的是缩小逆变变压器的体积
图片尺寸665x443
2000w全桥软开关直流稳压电源电路-电子镇流器电路图-电子产品世界
图片尺寸2352x1699
顺次双定时控制电路图-电子镇流器电路图-电子产品世界
图片尺寸565x421
电子变压器 --电子电路图--电子工程世界
图片尺寸2056x1344
组成的直流日光灯电子镇流器电路
图片尺寸1143x635
镇流器控制与半桥驱动器ir2156的功能及应用
图片尺寸546x251
电子镇流器电压半桥逆变电路
图片尺寸500x277
双管节能灯电子镇流器电路图
图片尺寸750x450