定时开关原理图

设计一个定时电子开关电路
图片尺寸413x362
通用定时控制器电路
图片尺寸673x377
一种具有定时功能的电子开关电路的制作方法
图片尺寸1000x724
微电脑时控开关时间到了开关是断开还是闭合?
图片尺寸640x480
间歇定时开关电路
图片尺寸640x651
定时器电路 - 热门商品专区
图片尺寸793x597
拆个正品德力西kg316t微电脑时控开关及维修和电路图
图片尺寸861x837
也就是说一共有4个类似的 系统图吗?共几个时控开关?
图片尺寸1968x2624
三款电子定时开关电路图
图片尺寸542x374
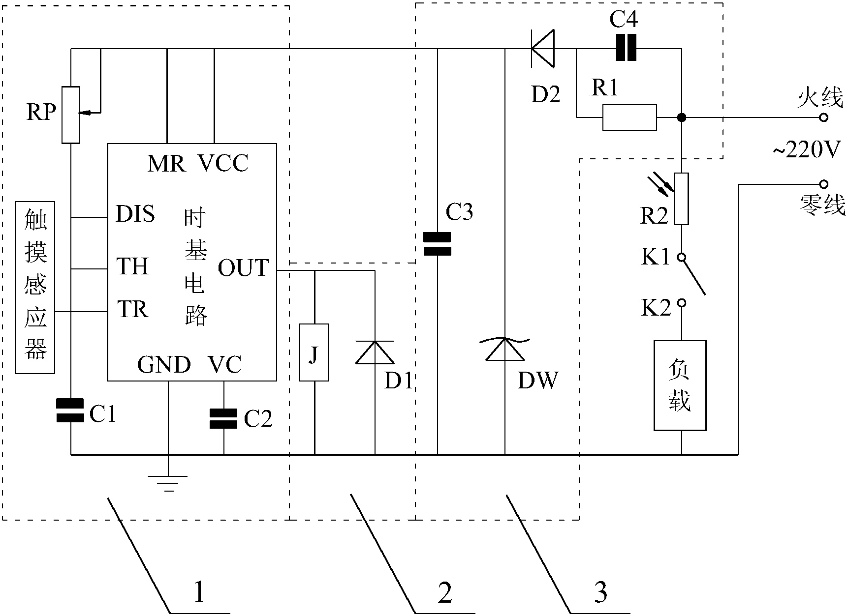
一种定时开关
图片尺寸1723x1253
新颖定时开关电路原理图
图片尺寸1728x754
(i)电路原理简介本定时电路南于加装了南fl,f2和vt1组成的电子开关,可
图片尺寸711x409
带显示功能的定时器电路图
图片尺寸1403x955
控制电路
图片尺寸1012x1149
简易定时控制电路
图片尺寸998x489
低功耗定时器电路
图片尺寸1004x447
微电脑时控开关接线图
图片尺寸539x477
简易定时开关电路
图片尺寸951x531
厂家授权正品科德03j接线式机械式定时器节能开关插座特价批发
图片尺寸750x368
谁能发一份定时开关接线图?
图片尺寸590x336