定时插座电路图

电动车铅酸电池充电器定时插座电路
图片尺寸695x500
智能插座原理图1
图片尺寸1073x516
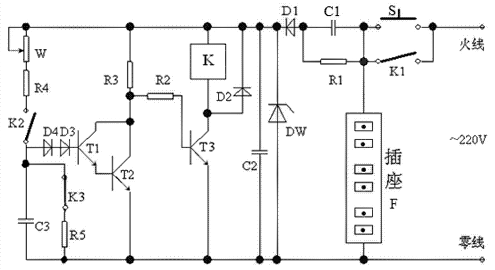
家用电器定时插座电路
图片尺寸1160x470
555电子闹表定时插座电路
图片尺寸992x804
cn104092450b_由与非门构成的定时插座电路失效
图片尺寸1804x1132
cn205911549u_一种智能用电插座有效
图片尺寸1000x624
实用新型公开了一种定时电源插座,包括电源插座,自释放按钮,控制电路
图片尺寸1000x547
能定时闭断的定时插座电路
图片尺寸935x562
双电子表控制的定时供电插座电路 第1张
图片尺寸922x453
钟控定时,延时插座
图片尺寸2624x1888
cn2404271y_双路遥控定时开关插座失效
图片尺寸951x842
哪位高手能帮我一下,想做一个定时断开电路.
图片尺寸446x444
555钟控定时运行节电插座电路
图片尺寸928x663
【技术保护点】一种通断时间可调的循环定时器插座,其电路组成由降压
图片尺寸462x1000
定时器电路 - 热门商品专区
图片尺寸793x597
有没有哪位大神知道定时插座的原理
图片尺寸690x397
热释电红外传感定时控制插座电路
图片尺寸960x1220
简单定时电路图大全(计数器cd4029 c9160cd4017继电器)
图片尺寸677x379
无忧文档 所有分类 工程科技 电子/电路 定时插座原理与使用说明书 一
图片尺寸733x376
2-30分钟定时供电插座电路
图片尺寸1044x862