室外楼梯平面图

注册消防工程师资格考试考点及例题:室外疏散楼梯
图片尺寸841x477
楼梯平面图
图片尺寸960x1280
室外直跑钢楼梯结构设计图
图片尺寸818x488
室外楼梯
图片尺寸738x427
一本资料为某地室外消防钢楼梯大样设计施工图纸 资料内容包括:平面图
图片尺寸610x447
某标准型室外住宅钢楼梯大样详细设计施工cad图纸
图片尺寸1440x1020
室外楼梯平面图片
图片尺寸1024x604
分享钢筋混凝土室外楼梯图纸资料下载
图片尺寸560x372
室外钢楼梯
图片尺寸950x590
室外楼梯施工平面图2.ppt
图片尺寸1613x1210
沈阳某商业广场室外消防楼梯钢结构设计
图片尺寸1167x822
听我一句劝,自建房"楼梯尺寸"大一点,老人小孩上下更舒适
图片尺寸910x852
老师房子外面的楼梯地面怎么样能布置上去
图片尺寸2304x1024
楼梯施工设计图纸 资料内容包括:立面图,节点结构图,平面图等内容详实
图片尺寸610x433
室外钢结构楼梯结构施工cad图纸(甲级院设计);包括:2#楼梯首层平面图
图片尺寸610x861
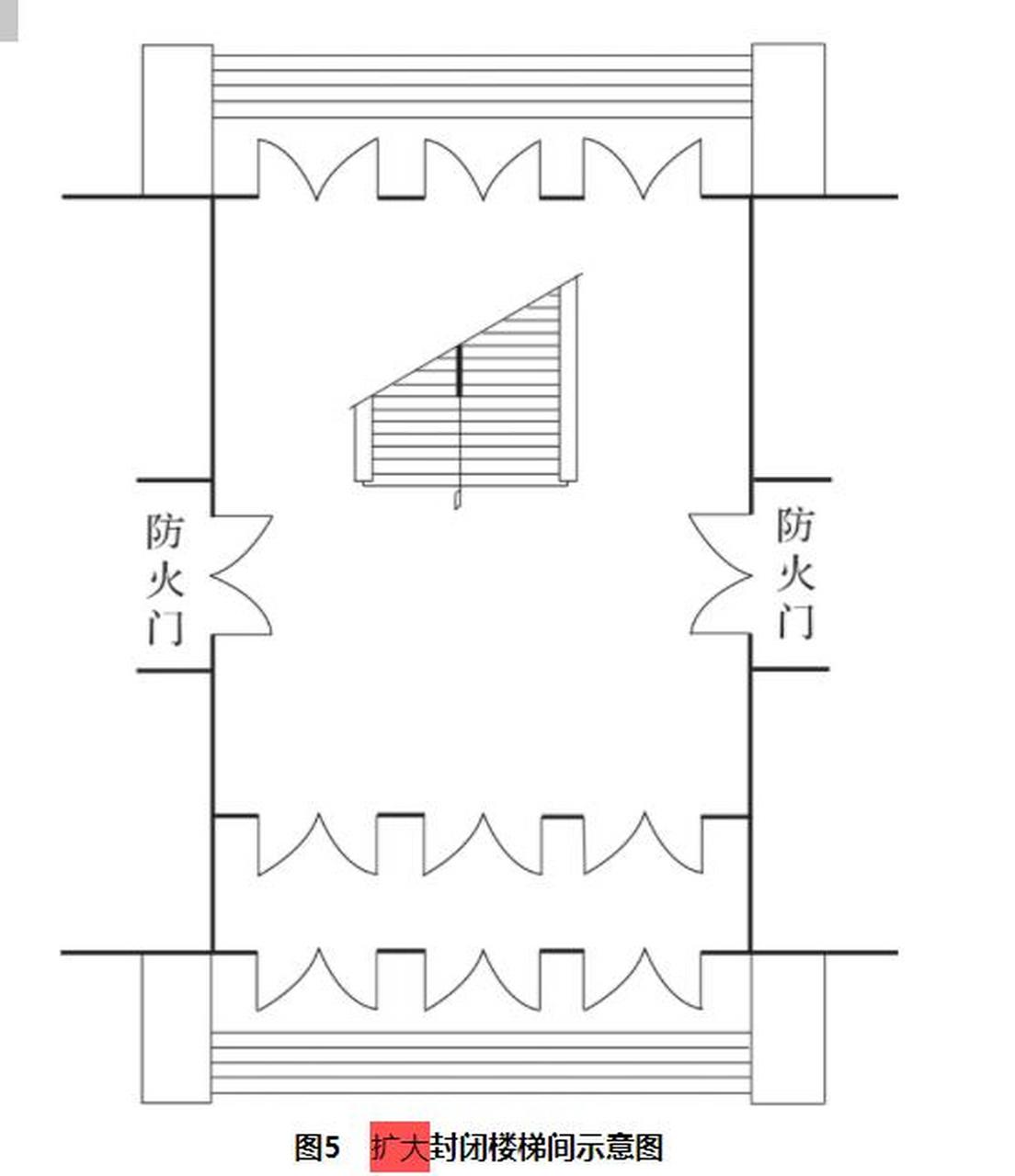
下图是一个设计单位在设计楼梯间在首层直通室外时,把橱窗的门开向
图片尺寸1104x1280
室外钢楼梯设计详图
图片尺寸491x373
楼梯施工设计图纸 资料内容包括:立面图,节点结构图,平面图等内容详实
图片尺寸610x434
楼梯剖面1 楼梯剖面图2 楼梯顶视图 楼梯平面图1 楼梯平面图2
图片尺寸760x570
某地室外住宅钢结构楼梯施工设计图cad
图片尺寸610x432