家用增压泵线路图

一台水泵有故障,另外一台水泵自动启动电路图
图片尺寸1057x724
闪电客泵 自吸泵家用水泵全自动水井冷热水增压泵抽水泵空调管道智能
图片尺寸790x1517
图片尺寸2160x3128
🚰全屋水路系统解析🛠️
图片尺寸1080x1407
图片尺寸1440x2560
济南赛思特std10 std25 std40 std60 std100气体增压泵
图片尺寸750x750
电工朋友还在为
图片尺寸586x1026
图片尺寸1224x2364
两家供水压力罐共用一个水泵接线方法,你学会了吗
图片尺寸720x960
自吸泵电路图
图片尺寸1533x1447
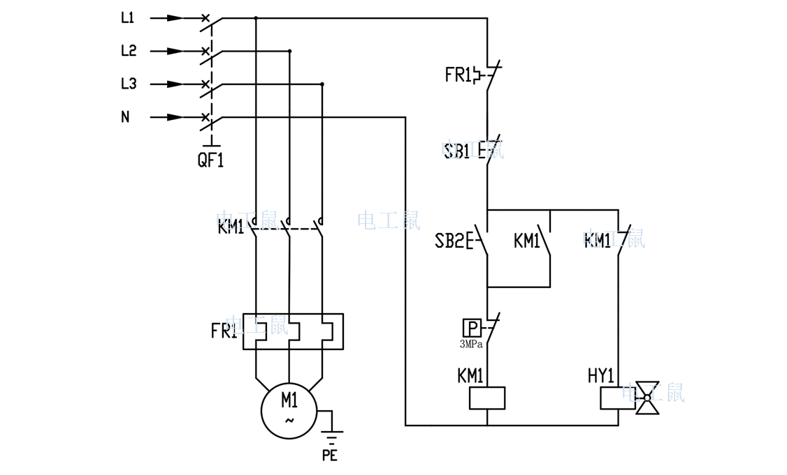
电工电路 这个电路的功能是,按下启动,开始增压,压力到自动断开增压泵
图片尺寸1126x681
自吸泵电路图
图片尺寸1480x1275
广东凌霄牌不锈钢自动增压泵,总有一款适合您!
图片尺寸1918x1352
220v深水家用水泵接线法
图片尺寸547x559
一图带你了解家用增压泵如何安装
图片尺寸1920x2560
小型空气增压泵 运行稳定防爆 气体增压设备 现货
图片尺寸750x774
恒压供水的几种几种接线
图片尺寸1080x997
水塔自动抽水电路示意
图片尺寸949x1703
电工电路 这个电路的功能是供水上常用的,泵和电磁阀的控制都有两种
图片尺寸1921x1080
建议用全自动冷热增压泵,装好后需要调试,在压力开关上
图片尺寸720x540