小型沸腾炉图纸

沸腾炉
图片尺寸600x473
一种新型沸腾炉的制作方法
图片尺寸855x1000
67 沸腾炉倒锥形炉膛简图1—进风口;2—进料口;3—溢流灰口;4—风帽
图片尺寸1051x778
沸腾炉的制作方法
图片尺寸803x1000
cn2923669y_无筛板沸腾氯化炉失效
图片尺寸892x1178
沸腾炉及基础下载(23.51 kb,rar格式) 机械cad图纸
图片尺寸1318x782
沸腾炉
图片尺寸893x498
一种微正压颗粒成型污泥焚烧沸腾炉及其焚烧工艺的制作方法
图片尺寸863x1000
一种智能安全的沸腾炉的制作方法
图片尺寸412x444
一种用于干燥液体聚羧酸减水剂的沸腾炉装置的制作方法
图片尺寸1000x826
cn201583137u_焙烧沸腾炉失效
图片尺寸2202x2716
沸腾炉 3d模型下载,cad图纸下载_开拔网/三维模型网www.sanweimoxing.
图片尺寸1486x767
一种小型垃圾焚烧炉制造技术
图片尺寸936x956
一种新型沸腾炉制造技术
图片尺寸911x1000
沸腾炉
图片尺寸1000x761
收藏词条编辑词条沸腾炉
图片尺寸567x500
沸腾炉专用风帽及配件
图片尺寸600x844
一种充分还原气氛多用途的流化床式沸腾炉及系统
图片尺寸1000x863
一种建筑石膏煅烧蒸汽沸腾炉炉内分隔装置的制作方法
图片尺寸420x444
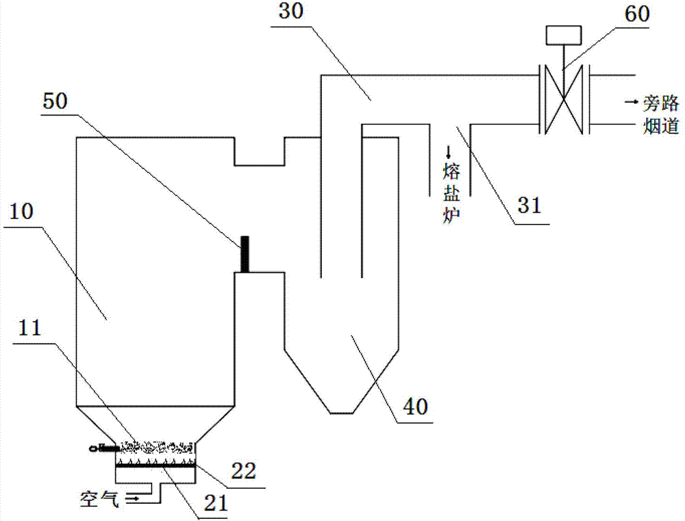
高温节能新型沸腾炉制造技术
图片尺寸598x431