小太阳接线图解

哪位好心人有先锋小太阳热暖风扇底部的接线!
图片尺寸450x338
太阳能控制器接线示意图-调光方式
图片尺寸1594x1159
小太阳坏了,这样接电路对不对啊.
图片尺寸2448x2448
太阳能路灯接线图
图片尺寸500x377
太阳能控制器接线图
图片尺寸473x383
哪位好心人有先锋小太阳热暖风扇底部的接线!
图片尺寸1080x1920
太阳能路灯安接线图
图片尺寸760x492
小型太阳能离网系统如何选配控制器,逆变器以及蓄电池等组件
图片尺寸872x565
太阳能电池板单晶硅50w家用光伏发电100瓦充电板12v太阳能板60a太阳能
图片尺寸750x1299
上图是太阳能电池板安装支架设计图,由于考虑到冬天太阳仰角较小且
图片尺寸670x397
新太阳能电池板单晶50瓦w12v太阳能板家用太阳能发电板系统清仓
图片尺寸745x332
小太阳取暖器不发热修理
图片尺寸3120x4160
小太阳取暖器里头的烧冒烟了但是还能用,底座打开看见线都烧一块了,都
图片尺寸960x544
这一张是太阳能电池控制器配置的原始接线图,可利用它的直流灯控制
图片尺寸670x440
太阳能板怎么串联,在线等,急急急.
图片尺寸816x612
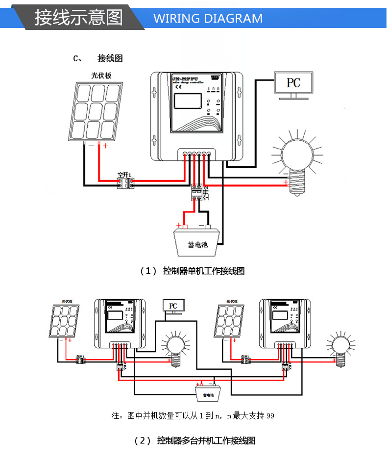
精能12v 24v 48v 40a 光伏充电 mppt太阳能控制器
图片尺寸790x946
太阳能路灯安接线图
图片尺寸2469x3514
求太阳能电池板,控制器,逆变器,蓄电池连接图
图片尺寸600x436
太阳能接线法
图片尺寸893x415
小太阳电热扇底部线路怎么接?
图片尺寸780x1040