小米8标准版电路图

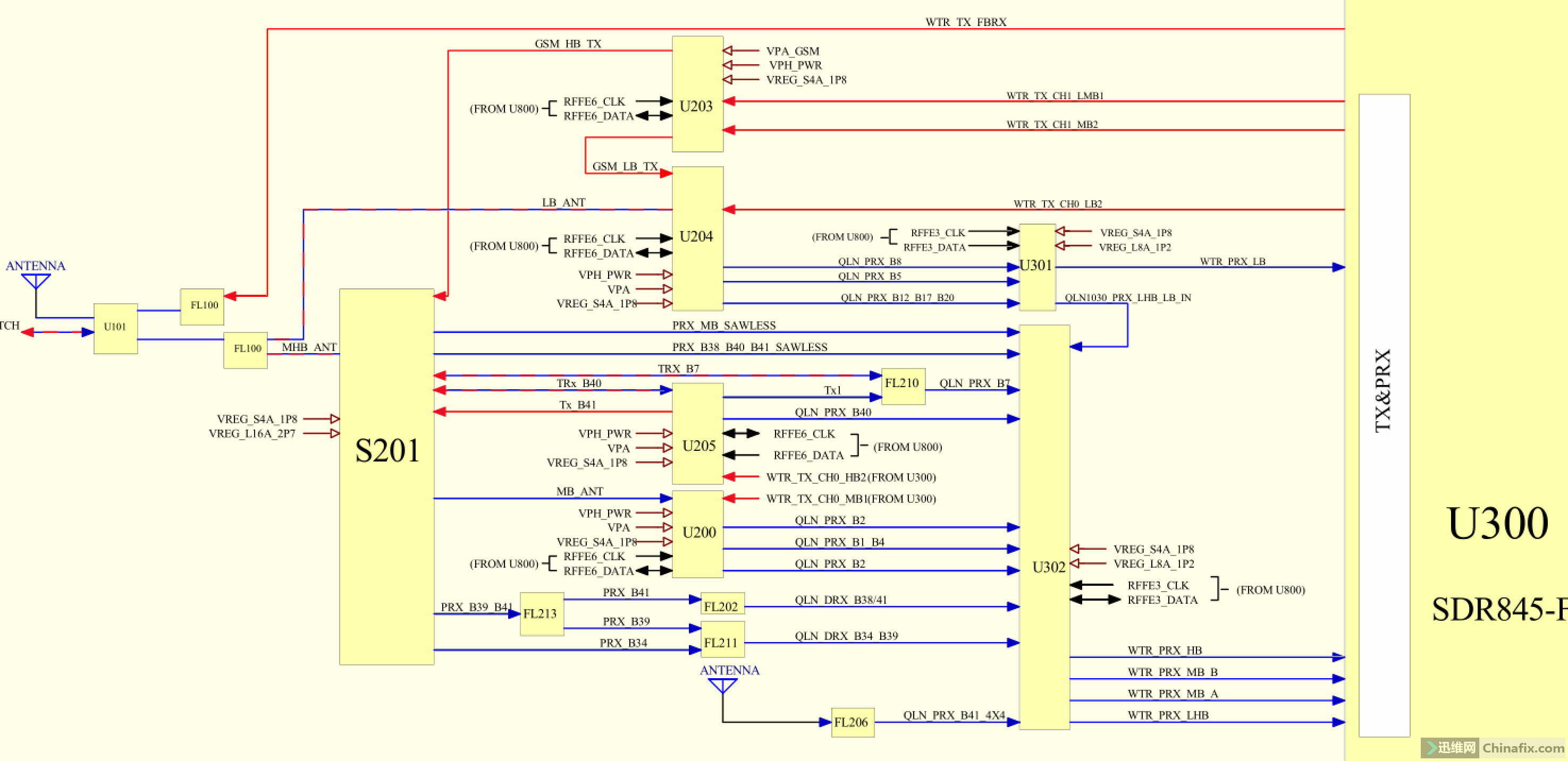
小米8射频电路
图片尺寸2950x1433
小米8青春版电路原理图纸
图片尺寸600x379
主板标注图小米8标准版2g,4g原理在小米8系列中,中频ic虚焊是通病
图片尺寸505x600
小米8品牌小米小米8主板元件位号图评价正文手机维修图纸电路图纸网站
图片尺寸600x420
主板标注图小米8标准版2g,4g原理在小米8系列中,中频ic虚焊是通病
图片尺寸600x593
小米8内屏坏了修得多少钱内屏坏了维修划算吗
图片尺寸578x465
小米8se主板图 小米手机维修
图片尺寸640x482
小米屏幕碎了多少钱小米8背面屏碎了多少钱
图片尺寸761x579
小米8se维修指导v01
图片尺寸600x379
小米8手机无服务无wifi故障维修
图片尺寸801x486
小米8后指纹版主板元件位号图
图片尺寸600x379
小米8屏幕指纹与探索版通用位号图
图片尺寸600x379
小米8主板元件分布图
图片尺寸640x467
小米红米手机原厂电路图维修图纸58款款pdf
图片尺寸1177x683
小米8后指纹版主板元件位号图
图片尺寸600x379
小米屏幕碎了多少钱小米8背面屏碎了多少钱
图片尺寸682x453
小米8屏幕多少钱 最新小米8维修费用一览表
图片尺寸640x420
小米8手机硬盘故障维修小米手机硬件坏了怎么办
图片尺寸640x480
售后图纸小米8se手机电路图主板元件位号图
图片尺寸600x390
小米8手机维修 小米手机实战维修故障集 小米8故障集汇总
图片尺寸640x278