小鼠背根神经节

小鼠背根神经节细胞类型特异神经元流式分选
图片尺寸1044x926
小鼠drg取材
图片尺寸640x960
背根神经节注射
图片尺寸1366x768
小鼠背根神经节神经元的分离和原代细胞培养
图片尺寸2082x1578
小鼠神经系统各种细胞类型的分子图谱cell[if: 41.
图片尺寸723x498
isolationandgrowthofadultmousedorsalrootganglianeurons
图片尺寸2481x2187
primary culture of mouse neurons from the spinal
图片尺寸1142x689
denervation of mouse lower hind limb by sciatic
图片尺寸1800x1492
isolationandgrowthofadultmousedorsalrootganglianeurons
图片尺寸2847x1611
小鼠背脊髓神经元mn-dsc
图片尺寸798x582
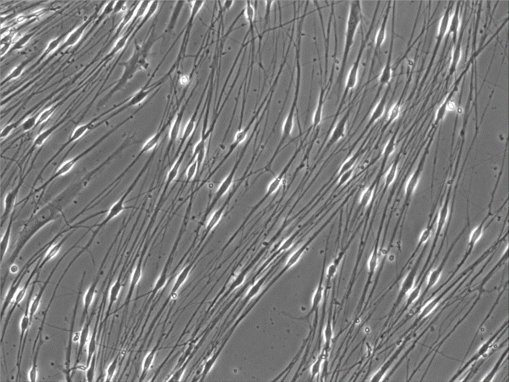
小鼠背根神经元细胞
图片尺寸804x600
胚胎大鼠背根神经节神经元的培养与纯化
图片尺寸956x1431
小鼠背根神经元细胞介绍及应用
图片尺寸359x260
7可防止骨关节炎进展和疼痛|nature|骨关节炎|神经元|神经节|疼痛
图片尺寸863x498
一种sd大鼠背根神经节细胞培养方法
图片尺寸1000x750
小鼠神经系统各种细胞类型的分子图谱cell[if: 41.
图片尺寸640x636
感受器:游离神经末梢(背根神经节和三叉神经节中感受和传递伤害性冲动
图片尺寸1000x973
神经,动脉,静脉,骨骼,脊椎,无人,竖图,插画,室内,特写,白天,白色背景
图片尺寸819x529
小鼠脊髓神经元
图片尺寸800x572
延胡索乙素对小鼠坐骨神经cci模型背根神经节cav1.2表达的影响.pdf
图片尺寸793x1184