尺寸链画法

一秒辨别项链长度part1:别担心,小编早就为你准备好了能让你一学就懂
图片尺寸750x831![有了这张图,轻松拿捏项链长度,快看看吧[思考]](https://i.ecywang.com/upload/1/img0.baidu.com/it/u=3497441352,2069130880&fm=253&fmt=auto&app=120&f=JPEG?w=1275&h=800)
有了这张图,轻松拿捏项链长度,快看看吧[思考]
图片尺寸2040x1280
尺寸链入门篇尺寸链的定义及分类
图片尺寸641x333
第七章 尺寸链及尺寸链计算ppt
图片尺寸1080x810
工艺尺寸链--工艺过程尺寸链_机械技术网
图片尺寸784x582
925纯银单钻项链女 韩版锁骨钻石项链吊坠饰品首饰 生日礼物_7折现价
图片尺寸700x500
尺寸链练习题ppt课件
图片尺寸920x690
工艺尺寸链
图片尺寸682x1139
如下图所示尺寸链,封闭环n合格的尺寸有______.
图片尺寸415x314
尺寸链计算类型概述—-反计算
图片尺寸565x474
尺寸链原理与应用
图片尺寸1077x562
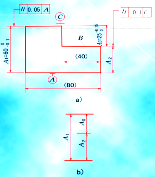
机械制造技术3尺寸链的应用与计算
图片尺寸520x594
尺寸链的基础知识,搞设计的必须懂
图片尺寸394x320
尺寸链的计算
图片尺寸350x272
什么是尺寸链?_工程-考高分网
图片尺寸400x489
尺寸链示意图ppt
图片尺寸1080x810
项链尺寸适配
图片尺寸441x356
尺寸链的计算
图片尺寸550x260
周生生18k金项链玫瑰金项链粉红蓝宝石心形项链83706nps预订预付款
图片尺寸790x1000
工艺尺寸链习题解答案
图片尺寸648x381