山推160推土机电路图

清粪机电路.jpg
图片尺寸447x361
拖拉机电路与读图
图片尺寸1417x866
提板刮泥机电气原理图
图片尺寸560x364
传统电器式刮泥机控制电路
图片尺寸670x692
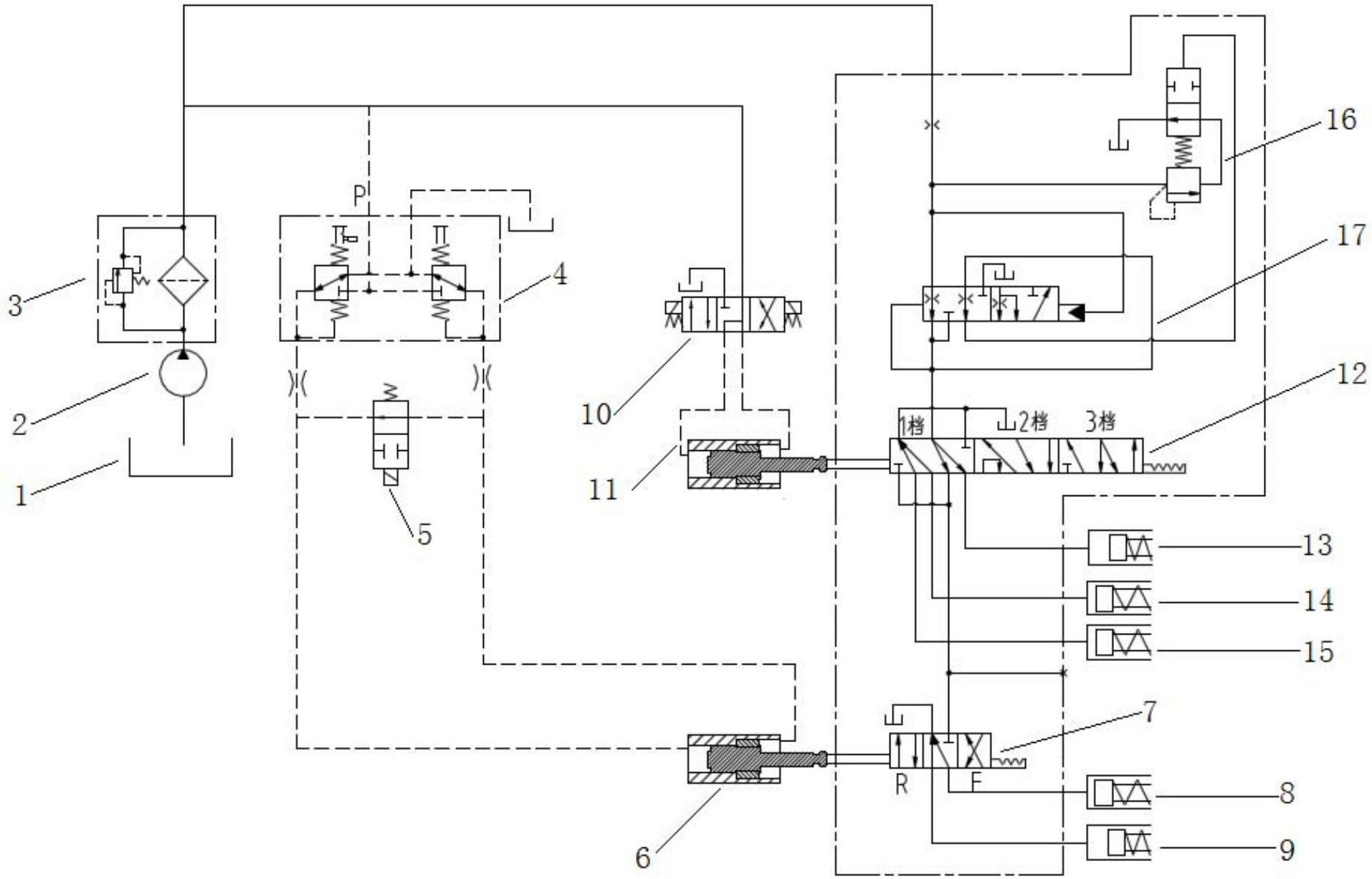
cn106678359b_推土机电液协同控制变速系统有效
图片尺寸1914x1226
160kw电机一拖二控制图
图片尺寸702x470
ebz160掘进机电气原理图
图片尺寸920x651
附图1 ebz160掘进机电气原理图
图片尺寸1263x794
无忧文档 所有分类 工程科技 电子/电路 ebz160掘进机电气原理图 (三
图片尺寸1263x794
拖式混凝土泵主电动机控制电路故障排查四例3
图片尺寸580x928
山特mt1000 电路图.pdf
图片尺寸1188x918
y3150滚齿机控制电路
图片尺寸824x618
串口电路图(ch341)
图片尺寸540x414
d8t型推土机柴油机无法启动故障排查三例
图片尺寸580x407
采用磁敏元件的压力计电路
图片尺寸2709x1728
轮式推土机液压系统工作原理和工作装置动作异常的原因-机械维修-解决
图片尺寸1332x1180
大宇dh220lc-v型挖掘机电器电路图
图片尺寸1653x1200
拖拉机应用方案
图片尺寸346x231
cn105099279a_施工升降机软启动控制电路失效
图片尺寸840x896
图21santaktg500a型方波机原理图
图片尺寸1724x610