工厂线路图

车间疏散路线图1
图片尺寸5213x8372
司机入场需知-可口可乐公司提货安全提示
图片尺寸2000x2052
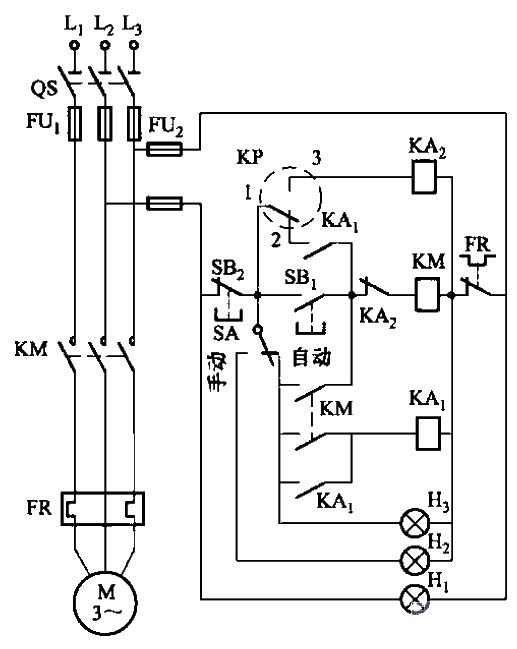
电动机手动行程位置控制线路图解 如下图所示,工厂车间里的行车常
图片尺寸1603x1280
机械工厂供电系统设计
图片尺寸1450x2000
工厂车间设备供电实例
图片尺寸1788x1266
cn101317143b_工厂控制系统有效
图片尺寸1838x2516
某机械厂高压供电系统的电气设计某机械厂高压供电系统
图片尺寸1689x2411
3300mw营山电厂电气部分初步设计
图片尺寸799x565
工厂供电实验报告
图片尺寸1187x903
225mw发电厂电气一次系统设计
图片尺寸820x585
工厂简易路线图
图片尺寸2390x2882
工厂电气控制及电力拖动控制线路与技能训练上海求育
图片尺寸1122x836
【职工活动】关于组织参加陕汽控股职工冬炼活动的通知
图片尺寸640x630
某中日合资油脂化工厂废水处理站工艺,土建图 某化工
图片尺寸708x611
3200mw火力发电厂电气部分初步设计
图片尺寸805x568
一发电厂用电原理接线图
图片尺寸708x335![[施工图]某工厂电机控制原理图](https://i.ecywang.com/upload/1/img1.baidu.com/it/u=438382044,2779196546&fm=253&fmt=auto&app=138&f=JPEG?w=560&h=406)
[施工图]某工厂电机控制原理图
图片尺寸560x406
空气压缩机(空压机)是工厂常用的电气设备,一般由电接点压力表控制.
图片尺寸517x649
2006款长城风骏28t原厂电路图资料下载
图片尺寸2012x1288
(1/3) 某化工厂scr法处理硝酸尾气nox工程图图纸简
图片尺寸820x582