差动回路油路图

差动回路
图片尺寸1080x810
液压缸差动连接的快速运动回路
图片尺寸1031x832
一种差动缸闭式回路系统
图片尺寸1575x1964
液压缸差动连接的快速运动回路
图片尺寸1686x754
差动连接回路
图片尺寸357x333
一种用于二板式注塑机的差动式锁模泄压油路的制作方法
图片尺寸971x975
根据图1所示的液压系统原理图,可以构成8个液压实验基本回路,对应的
图片尺寸1353x878
回路理原工液压动连快速接作差缸
图片尺寸343x319
一种压铸机中压射实时控制的差动油路系统的制作方法
图片尺寸1000x898
差动快速回路 图2双泵供油快速回路
图片尺寸603x291
新型差动增速回路
图片尺寸592x709
548_398gif 动态图 动图
图片尺寸548x398
液压差动回路的工作原理解析
图片尺寸550x430
液压差动回路问题
图片尺寸450x514
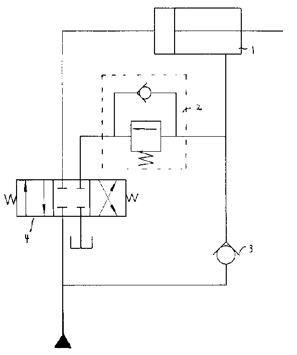
液压缸差动连接的快速运动回路
图片尺寸695x583
一种压力控制切换的液压差动回路的制作方法
图片尺寸1000x400
cn207513962u_一种液压缸差动连接的控制系统有效
图片尺寸1258x1464
一种油缸溢流阀差动增速回路的制作方法
图片尺寸958x1000
差动液压缸的故障排除
图片尺寸300x284
变压器的差动保护
图片尺寸736x552