巴伦电路原理

一种智能终端及其巴伦制造技术
图片尺寸1000x730
一种高隔离输出且宽带匹配ipd射频巴伦芯片
图片尺寸1355x1056
这样用ads仿真巴伦可以吗?
图片尺寸571x482
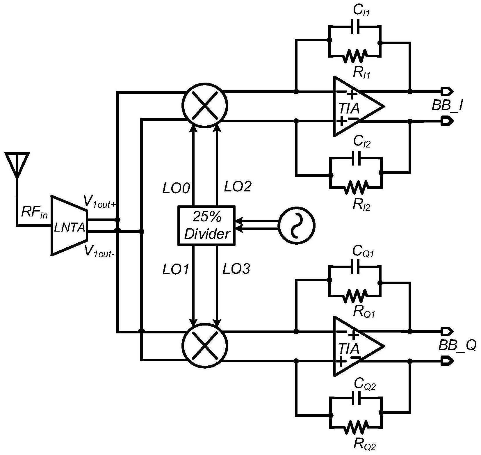
一种cmos宽带巴伦射频接收前端电路
图片尺寸1654x1564
巴伦是否该双向匹配阻抗
图片尺寸1031x564
cbm42型 贴片微型1:1 平衡不平衡 rf射频100khz-1ghz 巴伦变压器
图片尺寸454x321
p>tda8947j 包含一个独一无二的保护电路,它只与在芯片内部的多个
图片尺寸510x440
巴伦的原理及应用
图片尺寸468x455
传输线平衡器(巴伦)的原理,设计,制作实例
图片尺寸490x614
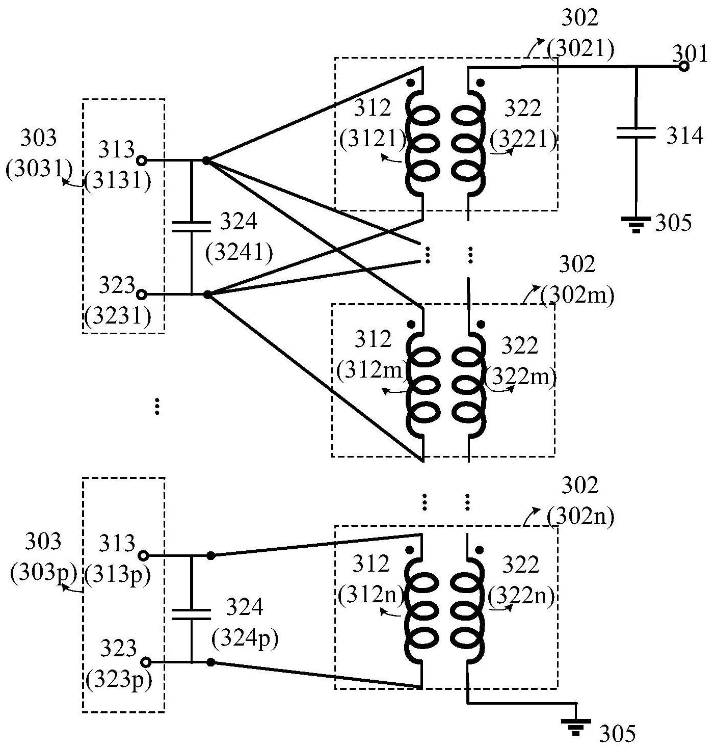
巴伦阻抗变换器阻抗匹配装置射频前端电路和终端
图片尺寸1403x1470
巴伦的原理及应用
图片尺寸593x425
难度稍大的电压型巴伦diy
图片尺寸785x570
一种cmos宽带巴伦射频接收前端电路的制作方法
图片尺寸1000x945
巴伦电路基础
图片尺寸533x228
用emi磁环做了个简单的1:9巴伦,100瓦
图片尺寸400x287
lc巴伦电路匹配网络设计
图片尺寸820x618
【巴伦应用】高频单端转差分技术详解
图片尺寸966x374
本人在设计一款csr蓝牙时用到此巴伦,但原厂的价格天价,寻求一
图片尺寸512x347
lc巴伦滤波器
图片尺寸1613x1230
三端口器件(巴伦)电路原理
图片尺寸433x210