干湿分离机制作图

不锈钢猪粪干湿分离机畜禽粪便固液分离机餐厨垃圾脱水机设备
图片尺寸750x750
江苏pc三机一体除湿干燥机
图片尺寸1289x602
供应风巢转轮除湿机 除湿干燥机
图片尺寸3524x2499
中药浸膏喷雾干燥机 喷雾干燥机中药浸膏专用喷雾干燥
图片尺寸1200x855
三机一体除湿干燥机
图片尺寸1124x1045
塑料除湿干燥机:pet塑料塑料,pc塑料除湿干燥机工作原理图
图片尺寸800x548
gq105 甘草酸分离管式分离机
图片尺寸790x903
方形真空干燥机
图片尺寸800x457
碘海醇离心喷雾干燥机喷雾干燥机试料
图片尺寸1313x937
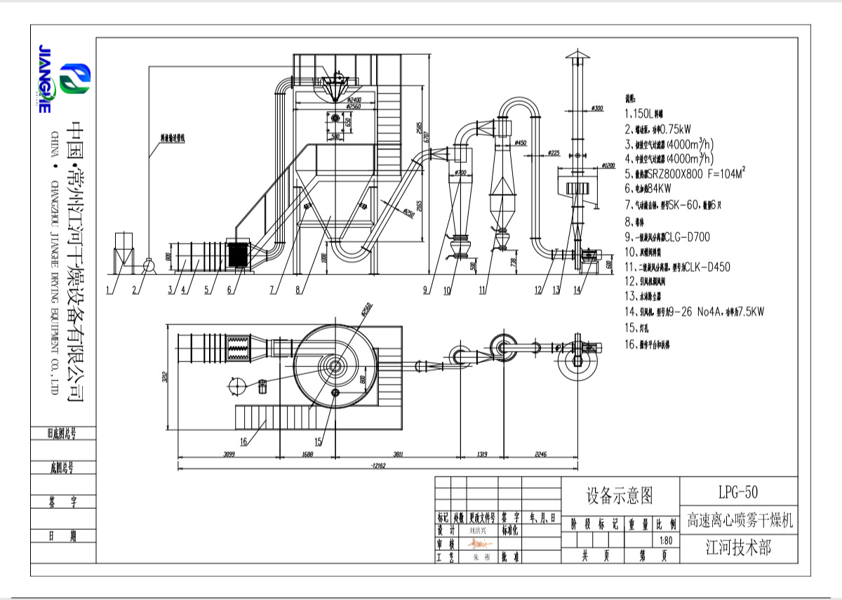
风机7—热风分配器8—干燥塔9一旋风分离器10—引风机11一过滤器概述
图片尺寸810x523
一种恒温型双向流除湿机的制作方法
图片尺寸1000x709
养猪场固液分离机市场/猪粪便分离机_产品详情_宁津县辉腾温控设备
图片尺寸650x426
低露点转轮除湿机
图片尺寸1864x854
养殖场鸡粪鸭粪挤干机 螺旋挤压固液分离机 干湿粪便脱水机厂家直销
图片尺寸756x613
大型除湿干燥设备 十年除湿干燥领域市场经验
图片尺寸1920x1227
一组喷雾干燥机
图片尺寸534x744
信泰sd500h分子筛除湿机pet颗粒料吸湿干燥一体机注塑辅机
图片尺寸800x1141
除湿干燥机的复杂原理一张图让它变得简单明了
图片尺寸715x1214
离心喷雾干燥机_cn201821300579.3_知雀网
图片尺寸1000x832
一种高效除湿的污泥干燥机的制作方法
图片尺寸882x1000