康佳冰箱bcd200说明书

康佳bcd-208tj电冰箱使用说明书
图片尺寸2381x3334
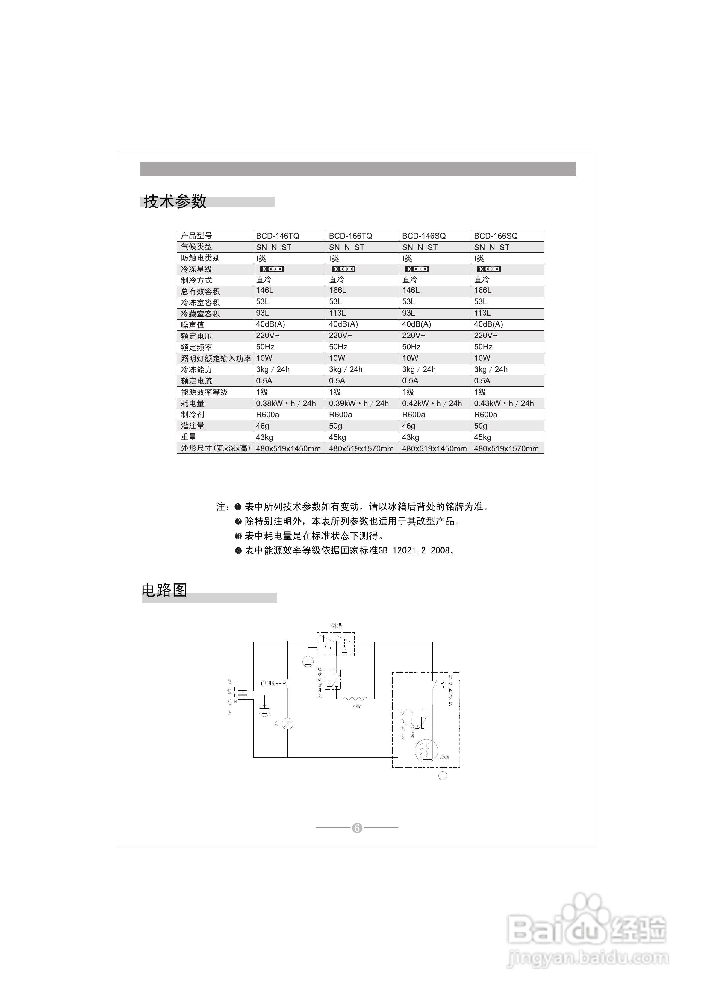
康佳bcd-146sq电冰箱使用说明书
图片尺寸2381x3334
海尔bcd 190khxb电冰箱说明书
图片尺寸2064x2925
康佳bcd-232mt冰箱使用说明书
图片尺寸2381x3334
冰箱bcd-215dc 使用说明
图片尺寸2721x3707
康佳bcd-199ta电冰箱使用说明书
图片尺寸2381x3334
康佳(konka)冰箱bcd-180gb2su报价_参数_图片_视频_怎么样_问答-苏宁
图片尺寸800x800
康佳bcd-232ems冰箱使用说明书
图片尺寸2381x3368
康佳bcd-220emn冰箱使用说明书
图片尺寸2381x3334
康佳bcd-116sq冰箱使用说明书
图片尺寸2381x3334
康佳bcd-249wemn冰箱使用说明书
图片尺寸905x1280
康佳bcd-199ta电冰箱使用说明书
图片尺寸914x1280
konka/康佳 bcd-400egx5s 双开门冰箱电脑温控 家用对开门电冰箱
图片尺寸4608x2592
康佳bcd-219tq冰箱使用说明书
图片尺寸914x1280
康佳bcd-220mn电冰箱使用说明书
图片尺寸2381x3334![[私信r][私信r]2000-5000元档ronshen容声i离子-「净」系列bcd-536wd](https://i.ecywang.com/upload/1/img1.baidu.com/it/u=3949190105,2131195732&fm=253&fmt=auto&app=138&f=JPEG?w=500&h=668)
[私信r][私信r]2000-5000元档ronshen容声i离子-「净」系列bcd-536wd
图片尺寸1080x1443
康佳bcd-249wemn冰箱使用说明书
图片尺寸905x1280
康佳bcd-208ms冰箱使用说明书
图片尺寸2381x3334
康佳bcd-102s冰箱评测质量好吗?坑不坑人看完这个评测就知道了!
图片尺寸800x800
康佳bcd-146sq电冰箱使用说明书
图片尺寸2381x3334