开关控制电路

两个开关控制一个灯电路图,一灯二控接线图
图片尺寸640x512
电工知识 #电路 #零基础学电工 四个开关控制一盏灯接线图 - 抖音
图片尺寸1199x2298
经典电路-电动机点动控制线路介绍
图片尺寸1080x821
浮球开关控制水泵,单相双电容电机倒顺开关等,旨在帮助电工掌握电路
图片尺寸1080x1794
浮球开关控制电路图分享一下#零基础学电工 #如何看懂电路图 - 抖音
图片尺寸1108x1868
附17种开关接线方法_开单_控制线_电路
图片尺寸1280x942
附17种开关接线方法_开单_控制线_电路
图片尺寸1052x1392
最简单的行程开关控制电路
图片尺寸1703x1427
09,脚踏开关控制电磁阀限位停止电路(电路图,实物图,仿真图)
图片尺寸896x668
按下sb2启动,按下sb1停止; sa1在右侧时,为自动,启停受时控开关控制
图片尺寸1920x1080
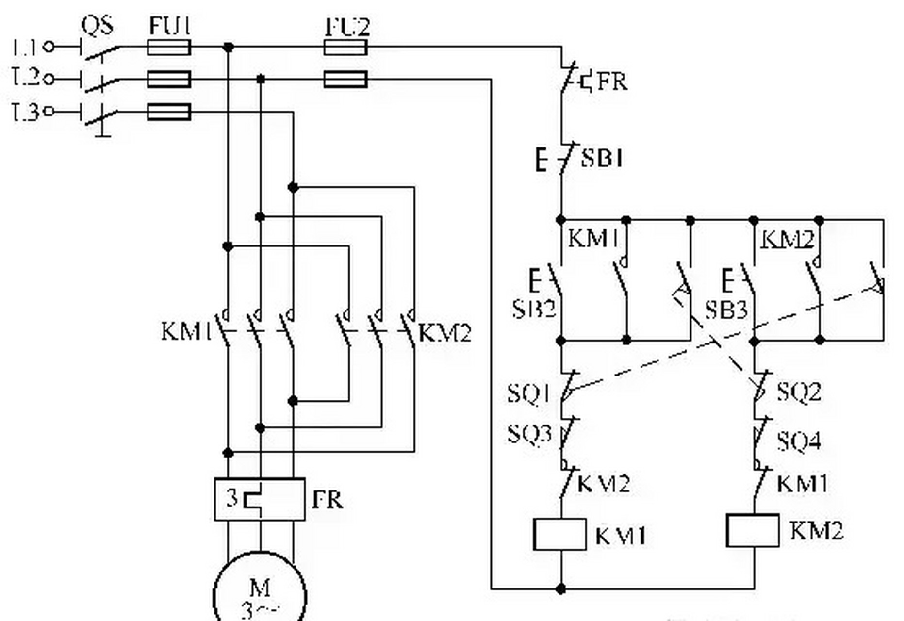
热榜之我见#行程开关控制的电动机自动正反转控制电路.
图片尺寸1863x1280
附17种开关接线方法_开单_控制线_电路
图片尺寸1280x942
手动和时空开关控制电路原理图
图片尺寸640x360
其实仔细分析一下,它的功能和上一个是一样的,但是这个电路有一个开关
图片尺寸653x457
时控开关接触器控制广告灯箱接线#电工知识 #电路 #零基础学 - 抖音
图片尺寸1199x2295
生活中的 各种灯开关 接线方法 及其开关最全控制电路 生活必备技能!
图片尺寸1080x1544
交流电焊机控制电路 接触器控制的交流电焊机电路如下图所示.
图片尺寸1500x1081
基于apm32f411控制的一个软开关电路设计分享
图片尺寸791x399
一种单按键控制开关机电路的制作方法
图片尺寸1666x1425
一灯双控,一灯多控,多开单控,这些照明电路太实用了_接线_控制_开关
图片尺寸1688x3000