开路的电路图

电路的三种状态——通路,开路,短路,学霸也有可能犯的错误
图片尺寸640x431
恒流电路的开路检测
图片尺寸2161x2410
电路分析-通路,开路,短路有什么区别
图片尺寸530x407
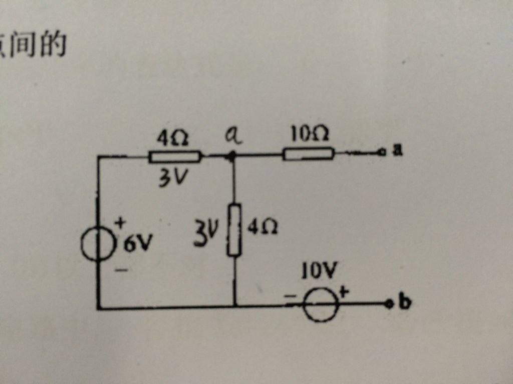
如图所示电路ab两点间处于开路状态求开路的电压uab
图片尺寸1024x768
电路- 优质问答专区
图片尺寸870x807
初中电学的短路就是说电路中的用电器(电阻)的两个接线端被一导线直接
图片尺寸450x281
求个dc12v的循环定时开关电路,要求通路5-10秒,开路600秒左右,反复
图片尺寸594x327
开路短路断路的区别是什么_家居指南-啄木鸟家庭维修平台
图片尺寸500x349
求电路的开路电压
图片尺寸773x748
玩转初中物理电学知识点4 电路的三种状态 通路 断路 短路
图片尺寸788x433
二,集电极开路晶体管电路
图片尺寸662x408
某放大电路在负载开路时的输出电压为4v,接入12k 的电阻后,输出电压降
图片尺寸473x236
自锁电路接线图:自锁的要点,线圈吸合以后通过接触器自身的常开点持续
图片尺寸612x453
电路的三种状态——通路,开路,短路,学霸也有可能犯的错误
图片尺寸640x387
二,集电极开路晶体管电路
图片尺寸596x622
在下图所示的电路中,如空载时(即rl开路)调节rb,使,若iceo,vces均忽略
图片尺寸307x223
三控电灯开关电路
图片尺寸637x421
开路(未接通)时,电路的故障现象是______.
图片尺寸451x260
3强电驱动线路2 电路图左边的是真空泵的主电路,断路器qf4和热继
图片尺寸529x605
集电极开路电路工作原理讲解
图片尺寸948x1002