往复丝杠滑块图纸

卷边机用往复丝杠导向丝杆直径40螺距40行程400来回轴现货滑块
图片尺寸1052x800
往复丝杠的具体画图方法
图片尺寸971x427
cn2332514y_滚动往复丝杠副失效
图片尺寸940x366
采购丝杠 图纸,先要10根,后面还有50~100根需求.
图片尺寸1020x682
启庞丝杠排线器绕线机往复丝杠排线螺母定做月牙滑块来回轴排线轴
图片尺寸1099x630
丝杠部分.dwg缩略图
图片尺寸839x594
丝杆滑台图纸
图片尺寸1000x797
往复丝杆月牙套装来回轴绕线螺杆八字轴交叉轴往返式来回排线丝杠
图片尺寸750x572
a3滚珠丝杠.dwg
图片尺寸1200x800
丝杠.dwg
图片尺寸1200x800
电动滑台梯形丝杠直线导轨含滑块有效100mm42步进电机时代超群
图片尺寸800x515
nsk 滚珠丝杠 小型fa系列 ma.fa.
图片尺寸1485x742
厚度& * 有效圈数& * 螺栓孔尺寸& * 注油孔尺寸& * 丝杠轴螺纹底径&
图片尺寸680x500
滚珠丝杠 螺杆直径&d 32 导程&l 25 螺母体外径& 51 法兰盘外径&法兰
图片尺寸680x500
丝杠滑块机构 - 传动件图纸 - 沐风网
图片尺寸657x644
5rrg2 699lc7y 导轨 滑块 轴承 丝杠
图片尺寸500x195
入手25lv,六一更新定做滚珠丝杠图纸
图片尺寸897x487
往复丝杆月牙套装来回轴绕线螺杆八字轴交叉轴往返式来回排线丝杠
图片尺寸1000x524
横向滚珠丝杠a3pdf
图片尺寸800x566
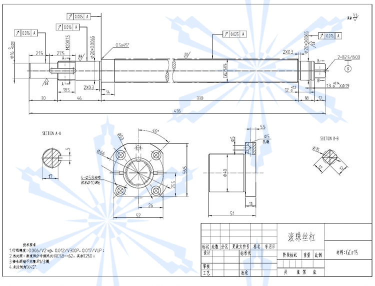
发一套滚珠丝杠的图纸
图片尺寸460x151