得力碎纸机电路图

一种碎纸机电机控制电路
图片尺寸1000x681
专题2电子工程师之硬件之43案例三碎纸机完整电路图和系统功率计算
图片尺寸1126x759
破碎机电路图.dwg
图片尺寸1200x800
cn102684159a_一种碎纸机电机控制电路和控制方法失效
图片尺寸1726x1164
cn101259449b_一种碎纸机的自动断电系统及其自动断电方法有效
图片尺寸2533x1145
秸秆饲料粉碎机控制电路
图片尺寸1974x1536
双层切纸机用的电控系统技术方案
图片尺寸1000x969
五胜切纸机控制电路图七mp3.pdf
图片尺寸800x1132
造纸厂自动切纸机电路
图片尺寸1027x513
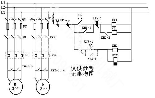
科密c-938型碎纸机电路原理图
图片尺寸1068x533
五胜切纸机控制电路图四驱动器.pdf
图片尺寸800x1132
包括回油检测电路,延时电路和主电机电源控制电路,所述回油检测电路
图片尺寸1000x784
电动机检查接线
图片尺寸500x317
cn101069870b_碎纸机的变频控速装置及其自动变速方法失效
图片尺寸1950x870
一种全新破壁机控制电路
图片尺寸1917x958
cn101069870a_碎纸机的变频控速装置及其自动变速方法失效
图片尺寸2006x934
mcx314as以单个电路同时控制4个伺服系统或步进电机系统,可进行各轴
图片尺寸350x440
电机控制电路及破壁机的制作方法
图片尺寸1000x717
一种破壁料理机的制作方法
图片尺寸877x1000
电路板内的引入地和引出电源电路板中的电源线和地线布线电源和地线间
图片尺寸886x685