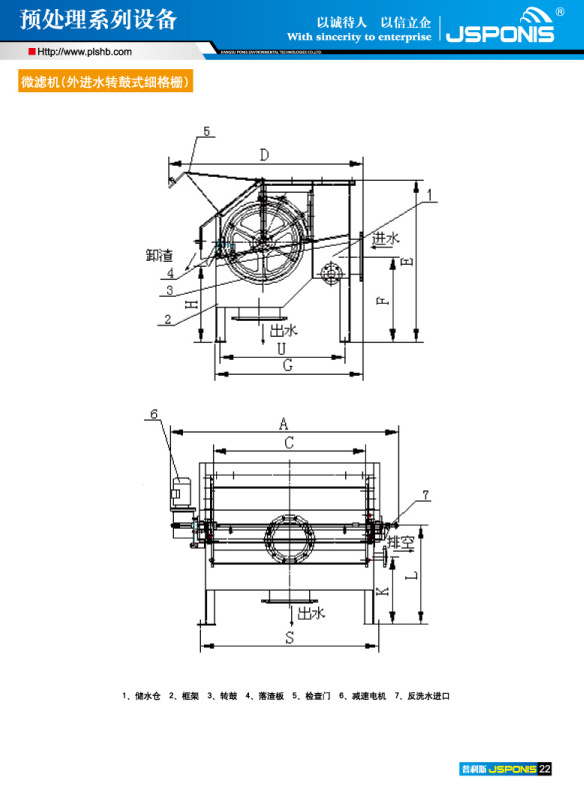
微滤机结构图

cn210302694u_一种转鼓微滤机有效
图片尺寸1758x1357
如克内进水微滤机
图片尺寸744x425
微滤机设备 桑德厂家直销
图片尺寸500x422
直径1000微滤机cad图纸
图片尺寸820x580
微滤机
图片尺寸361x305
外进水微滤机,内进水微滤机
图片尺寸532x453
转鼓式微滤机
图片尺寸1000x923
微滤机
图片尺寸762x266
wtl microporous film barrel filter - 江苏通协机械设备有限公司
图片尺寸1200x635
滚筒式微滤机 水产养殖污水过滤设备 山东蓝驰 厂家直销
图片尺寸800x654
微滤机设计污水处理设备全套含cad图纸zip
图片尺寸2338x1653
转鼓式微滤机-爱企查
图片尺寸800x533
一种废水处理用微滤机及其废水处理方法与流程
图片尺寸605x481
wln1000内进水微滤机三维模型
图片尺寸820x580
hh-wl66-微滤机
图片尺寸1440x1080
cn205699726u_一种微滤机失效
图片尺寸970x1000
固液分离微滤机 高效微滤机环保设备 污水处理设备 固液微滤机
图片尺寸1486x832
厂家直销 质量保障 微滤机 转鼓过滤器
图片尺寸584x796
微滤机生产厂家塘水微滤机微滤机厂家广达环境质保时间长
图片尺寸613x308
渔悦水产微滤机wl30循环水处理设备
图片尺寸794x335