恒力弹簧安装图

管道支吊架标准之4phlhzh系列恒力弹簧支吊架
图片尺寸598x784
盘型弹簧use1.jpg
图片尺寸800x1233
德标恒力弹簧支吊架picture
图片尺寸727x407
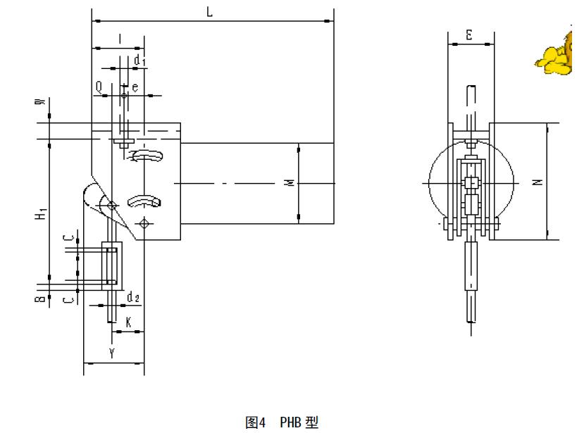
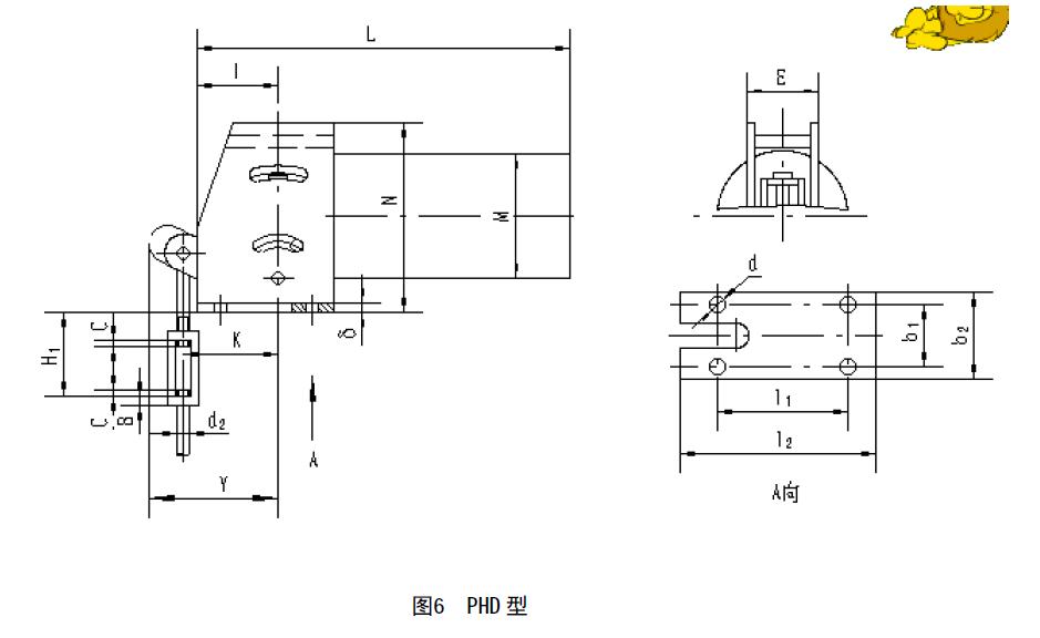
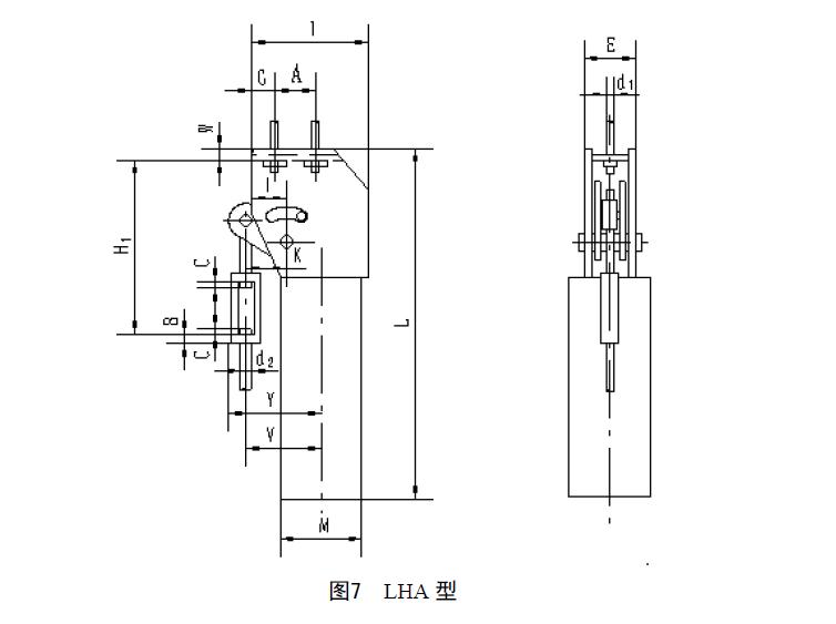
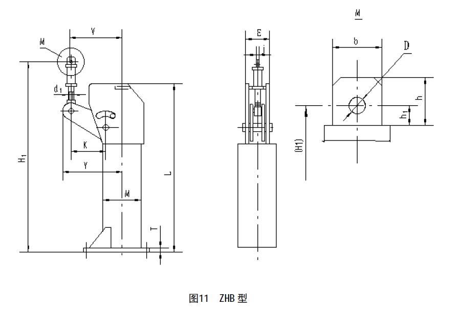
p>恒力弹簧支吊架(以下简称恒吊)根据力矩平衡原理设计.
图片尺寸600x262
p>恒力弹簧支吊架(以下简称恒吊)根据力矩平衡原理设计.
图片尺寸754x563
如何安装气弹簧
图片尺寸640x480
扭力弹簧力计算公式动态扭转弹簧的力矩
图片尺寸450x300
地弹簧安装示意图
图片尺寸800x1145
p>恒力弹簧支吊架(以下简称恒吊)根据力矩平衡原理设计.
图片尺寸829x615
p data-id="gnbprgsec2">恒力弹簧支吊架(以下简称恒吊)根据力矩平衡
图片尺寸700x603
p>恒力弹簧支吊架(以下简称恒吊)根据力矩平衡原理设计.
图片尺寸939x576
p>恒力弹簧支吊架(以下简称恒吊)根据力矩平衡原理设计.
图片尺寸901x605
恒力弹簧支吊架生产厂家 立式lhe恒立弹簧支吊架详细参数 立式lhc恒立
图片尺寸1440x1080
p>恒力弹簧支吊架(以下简称恒吊)根据力矩平衡原理设计.
图片尺寸710x531
meiko迈科洗碗机门弹力簧新款不锈钢卷簧k200ck260c恒力弹簧配件
图片尺寸800x800
厂家销售支架整定弹簧支吊架,汽水管道支吊架
图片尺寸616x581
p data-id="gnbprgsec2">恒力弹簧支吊架(以下简称恒吊)根据力矩平衡
图片尺寸849x618
恒力弹簧支吊架哪里有卖? #恒 - 抖音
图片尺寸860x1146
p>恒力弹簧支吊架(以下简称恒吊)根据力矩平衡原理设计.
图片尺寸819x782
弹簧的相关知识你都了解吗
图片尺寸604x396