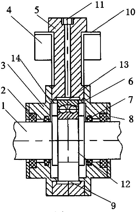
悬臂吊旋转轴承室图纸

500kg悬臂吊旋转机构cad图纸
图片尺寸468x578
工厂价 小型悬臂吊立柱式旋臂吊 移动式悬臂吊 厂家批发机械设备
图片尺寸938x676
悬臂吊的制作方法
图片尺寸820x1000
1t悬臂吊下载(147.61 kb,rar格式) 机械cad图纸
图片尺寸1600x1280
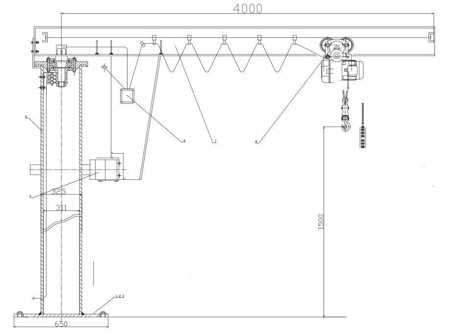
钢结构车间用电动旋转悬臂吊图纸1t
图片尺寸679x484
外套转轮轴承室组成,图纸是一种用于自由旋转的轴承室转轮系统,图纸
图片尺寸681x505
悬臂吊
图片尺寸600x441
悬臂轴两端由轴承与固定座联接,悬臂轴上装有横向的悬臂,悬臂上装有吊
图片尺寸391x418
悬臂吊 旋臂龙门架 配葫芦承重0.5t
图片尺寸1347x953
悬臂吊图纸大全
图片尺寸785x587
一种螺旋运输机悬吊轴承结构
图片尺寸557x866
吊轴承图纸通用适配cad图纸
图片尺寸457x322
cn205397952u_手动回转悬臂起重机用可调节旋转阻力的回转机构有效
图片尺寸1000x611
一种小车齿轮驱动和用推力轴承旋转的悬臂起重机制造技术
图片尺寸1000x539
悬臂吊
图片尺寸1920x1080
轴承旋转扭矩试验装置的制作方法
图片尺寸411x637
5吨悬臂吊旋转机构设计图-设计方案图纸-沐风网
图片尺寸311x220
悬臂吊总装图cad图纸
图片尺寸1178x797
着落轴承组件和配备有这种组件和磁性轴承的旋转机械的制作方法
图片尺寸831x1000
立柱式悬臂吊独臂吊墙壁吊摇臂吊1吨2吨3吨5吨电动旋转360度180度
图片尺寸689x492