截面圆

答案 c 考点 球的体积 题点 与截面有关球的体积计算问题 答案 c 解析
图片尺寸662x650
用平面去截一个圆锥,能截出圆和三角形两种截面(还有其他截面,初中不
图片尺寸541x131
本题主要考查了球的表面积公式,其中熟练掌握球半径,球心距,截面圆半
图片尺寸315x295
圆柱一刀切的截面只有这几种.
图片尺寸410x109
正棱台 2 圆柱 圆锥 圆台 【旋转形成】 性质:(1)截面均为圆,且
图片尺寸867x619
设球的半径为r,截面圆半径为r,球心 与截面圆圆心的距离为d,则r,r,d三
图片尺寸1080x810
用一个平面去截一个球,截面是圆面,球心到截面的距离d = √r2– d2(1)
图片尺寸500x300
球ppt 前进 后退 用一个平面去截一个球 所得截面是圆面 如右图
图片尺寸1080x810
高三数学 几何体的外接球突破ppt 几何体的外接球 球的截面圆的性质
图片尺寸1080x810
已知球的半径为2,一平面截球面所得圆的圆心为,且都是圆上的点,,求的
图片尺寸275x268
特征是圆,圆弧的拉伸效果,当点选该特征时,显示出来的拉伸截面是
图片尺寸813x529
一条直径为2米的圆形污水管道横截面其面宽1.
图片尺寸868x782
一个平面与球相交,其截面是一个圆
图片尺寸575x230
从圆中弦长的最值到球中截面面积的最值
图片尺寸714x659
答案:a 如图,截面圆o′的面积为π,∴ao′=1.在线课程试题答案d.
图片尺寸183x184
已知球的表面积为64πcm用一个平面截球,使截面圆的半径为2cm,则球心
图片尺寸537x393
(2012·新课标全国高考)平面α截球o的球面所得圆的半径为1,球心o
图片尺寸236x239
热轧光圆钢筋公称横截面面积及理论重量表
图片尺寸640x458
设球心距oc=6,球半径为oa=r.截面圆c的面积为πr²=64π,∴r=8.
图片尺寸233x214
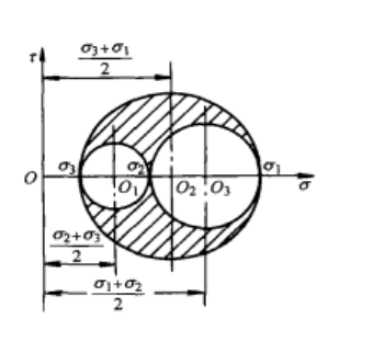
莫尔圆
图片尺寸340x311