房车电路图

解析房车电路系统,12v24v48v,你觉得哪个更加好呢?
图片尺寸640x514
七狼房车——大通v80长轴高顶圆梦版19.98万
图片尺寸826x620
科班电工解析房车电路系统
图片尺寸640x510
vanlife面包车改房车之电路73干货60
图片尺寸1080x608
改装房车的电路图
图片尺寸920x1302
房车电路基本安排.jpg
图片尺寸862x577
新购江淮星锐,想改装房车,求助发电机与逆变器匹配问题!
图片尺寸600x394
自己设计了个房车电路,大家帮我看看有没有什么问题,谢谢
图片尺寸700x330
自己动手 房车详细改装案例
图片尺寸700x526
改装房车的电路图
图片尺寸720x599
房车电路接线图
图片尺寸990x474
房车的电路图
图片尺寸700x525
那么房车电路到底是12v好,还是48v好呢?
图片尺寸1200x1744
奔驰凌特315电路改装实例(含行车,驻车空调自动转换) - 房车e族
图片尺寸1223x861
一种房车电源管理系统
图片尺寸1734x1066
再发个图,无疆兄以及各位高手看看,供房车车厢用电,哪一个合理些,还是
图片尺寸490x441
房车电路接线图
图片尺寸878x634
本人的房车电路设计草图 - 房车e族 越野e族论坛 越野/suv/旅行/赛事
图片尺寸998x898
一种房车内部用电控制电路的制作方法
图片尺寸1000x787
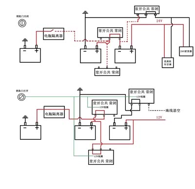
改装房车终极教程
图片尺寸400x388