手动试压泵原理图

我公司这两款不锈钢手动试压泵您都用上了吗
图片尺寸832x1019
syl手动试压泵
图片尺寸505x631
cn2075265u_双缸手动试压泵失效
图片尺寸800x964
厂家批发试压泵25kg40kg70kg加厚手动管道试压器ppr水管试压器
图片尺寸1920x1920
一种手动与电动两用式的试压泵的制作方法
图片尺寸444x225
手动试压泵
图片尺寸789x610
德国进口moottl***压手动泵 手动试压泵 手动打压泵
图片尺寸500x200
3-80mpa 电动试压泵厂家 电动试压泵作用
图片尺寸494x736
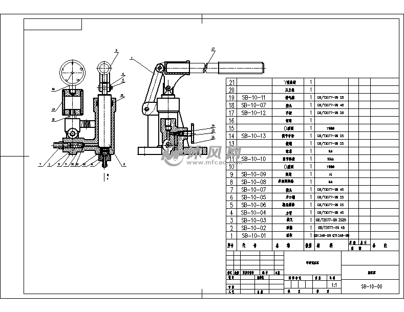
手动试压泵全套cad图纸
图片尺寸600x258
背景技术:手动试压泵是由手柄,泵体,柱塞,密封圈,控制阀,压力表和水箱
图片尺寸1000x974
手动试压泵打压泵ppr水管自来水管道打压机压力泵家用地暖检漏仪测压
图片尺寸750x1346
河北手动试压泵正确操作步骤
图片尺寸800x800
手动试压泵sb2525mpa
图片尺寸600x400
3d电动试压泵原理分解图
图片尺寸3387x2389
厂家直供25kg,40kg手动试压泵 压力泵 ppr水管检漏器测压泵
图片尺寸1920x1889
批发25公斤试压泵手动试压泵打压机ppr水管试压机手动打压泵
图片尺寸800x800
打压泵手动试压泵ppr水管打压机 管道水压测试压力泵地暖检漏仪器
图片尺寸2870x2552
5-4手动试压泵,打压泵,打压机
图片尺寸750x1160
威锐特手动试压泵ppr自来水管道地暖打压机水管测压手提式压力器
图片尺寸800x800
手动试压泵打压机压力家用ppr水管增压测压压力泵
图片尺寸800x800