托柱转换梁图片

预应力混凝土转换梁/钢模具的预制混凝土制品
图片尺寸800x600
25,托柱转换梁tzl
图片尺寸1080x608
转换梁
图片尺寸268x328
【原创*谈加固】什么是托梁换柱加固技术?
图片尺寸600x180
双槽钢托梁固定一柱托双梁托柱双向转换梁双槽钢托梁架高强双托梁
图片尺寸800x800
桥梁柱桩基托换梁
图片尺寸677x536
1 梁托柱的转换结构 这类转换层的计算模型,可以仍采用 杆模型.
图片尺寸1080x810
济南市北园大街全幅立交梁体托换工程
图片尺寸1280x960
转换梁设计细节,设计师必看!
图片尺寸460x221
3)梁一次转换:对于柱a托梁,梁再托柱情况,程序自动判断柱a是转换柱
图片尺寸560x522
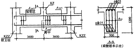
托柱转换梁,框支梁箍筋加密区示意
图片尺寸534x243
框支剪力墙建模 转换梁托柱.jpg
图片尺寸489x673
一种新型窄翼缘工字钢混凝土转换梁
图片尺寸2155x2022
四层转换层结构梁钢筋绑扎安装
图片尺寸1200x1600
托柱梁配筋超级大,红爆了,如果真的建出来,估计700x800的c40钢筋
图片尺寸670x489
双拼型钢混凝土转换梁施工
图片尺寸615x686
双拼型钢混凝土转换梁施工
图片尺寸405x267
采用转换梁托柱的方式使下层柱距变大,如下图所示.
图片尺寸564x203
变截面柱基础梁框架梁钢筋工程造价培训.pptx
图片尺寸1152x864
转换梁上柱下是否要设吊筋
图片尺寸766x575