托辊结构图cad

供应输送机锥形上下调心托辊托辊批发托辊生产厂家求购买托辊找中天恒
图片尺寸583x800
输送机托辊原来有这么多门道:3类托辊介绍,及组间距的选择
图片尺寸500x306
管状带式输送机在线纠扭托辊的研究与应用
图片尺寸374x493
输送带防割圆弧形托辊结构图使用效果:由于管式辊体由普通的辊体与端
图片尺寸483x337
托辊
图片尺寸220x166
新型托辊无源空间纠偏装置
图片尺寸549x615
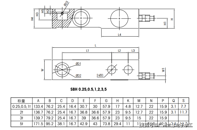
sbh5tsbh5t称重传感器不锈钢材质
图片尺寸681x450
带式输送机"品字形"下沉槽形托辊组*
图片尺寸660x795
机架|皮带机|托辊_新浪新闻
图片尺寸478x342
但也有胶带输送湿物料,如黏土,砂岩等,湿粉料较多,黏附在下托辊上,在
图片尺寸622x249
托辊三维扫描服务抄数逆向造型全尺寸3d测量_检测_零部件_质量
图片尺寸750x731
前托辊,起套辊,后压 辊,后托辊和活套扫描仪组成,其结构示意图见图 1
图片尺寸535x303
无动力滚筒不锈钢托辊流水线输带滚轮传带输传动滚筒轮配件霁之沁
图片尺寸750x1020
大倾角波状挡边带式输送机
图片尺寸268x174
平行上托辊
图片尺寸250x82
单托辊皮带秤具有结构简单,计量准确,使用稳定,操作简单,维护量小等
图片尺寸746x476
江苏鲁岳石墨轴承,耐高温800度,为钢厂托辊提供持久保障!
图片尺寸1200x757
1.1 调整承载托辊组
图片尺寸220x188
关于电子皮带秤托辊的选用,安装和维护,都有何要求?
图片尺寸700x506
皮带机是带式输送机的简称,有固定式和移动式,结构简单,效率高.
图片尺寸800x800