承台与筏板图集

这个承台和筏板设置的对吗
图片尺寸938x586
承台与筏板中高低差怎么处理
图片尺寸1318x728
底板底筋入承台筏板的这种做法如何设置?
图片尺寸687x485
桩承台位于两块标高不同的筏板交界处,桩承台采用三向环形箍,此时桩
图片尺寸852x548
06sg812:桩基承台
图片尺寸1850x1293
基础承台大样
图片尺寸933x443
承台基础和条形基础与筏板
图片尺寸1600x1280
06sg812:桩基承台
图片尺寸1851x1288
承台配筋大样图
图片尺寸1640x1171
承台和底板可以分开浇吗?
图片尺寸650x404
承台
图片尺寸307x293
承台作业施工图
图片尺寸560x420
承台的标高与筏板的标高有关系吗
图片尺寸850x582
国标图集22g1013主要修订及新增内容筏板加厚设放射筋三桩承台不注写
图片尺寸1080x595
筏板和桩承台有高差,高差部分钢筋如图用什么画比较好?
图片尺寸910x587
筏板和承台钢筋搭接
图片尺寸1038x814
如果图纸上给的四桩承台标高是-12.550地下三层,如图所示
图片尺寸577x625
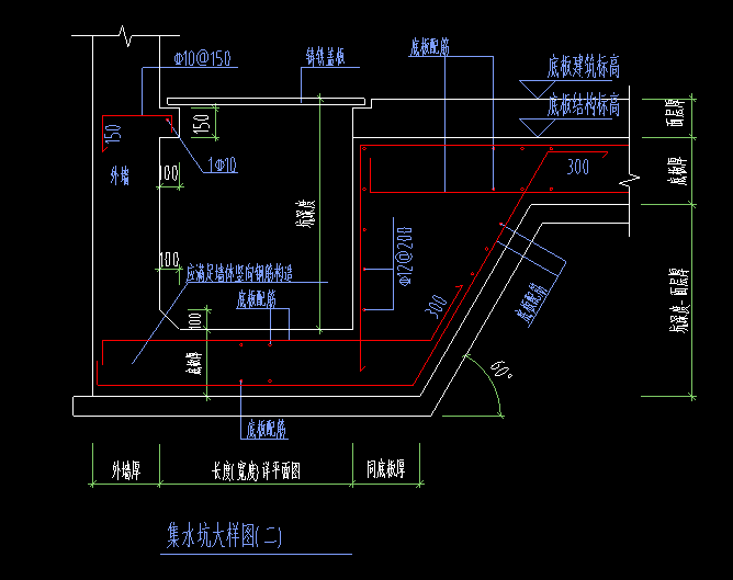
筏板与外墙外墙承台连接的封边钢筋c122501c10要如何设置才正确
图片尺寸668x529
分享桩基承台构造详图资料下载
图片尺寸560x392
筏板与承台加厚部分怎么画
图片尺寸752x490