折返式井底车场

折返式井底车场
图片尺寸552x448
steel structure car parking equipment 4
图片尺寸980x735
绍兴老彭机械设计有限公司
图片尺寸1600x1200
prc平巷人车 井下用快速安全型prc斜井人车 优质供应prc斜巷人车
图片尺寸1045x815
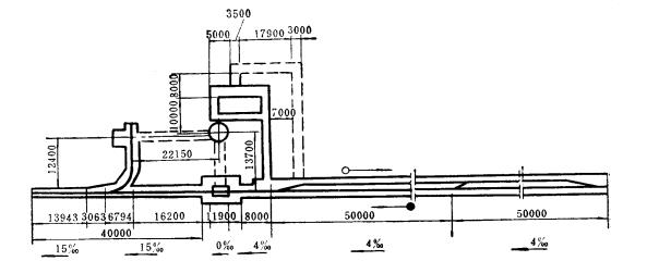
文本框: 图9-6 立井折返式井底车场 a-梭式;b-尽头式 1-主井;2
图片尺寸288x309
案例展示
图片尺寸570x450
车库标示及设施
图片尺寸1418x1063
> 井底车场
图片尺寸1080x810
折返式井底车场
图片尺寸495x151
地下王国
图片尺寸800x533
图片浏览
图片尺寸1006x666
折返式井底车场 空车线和重车线之间,借助调车支线调车.
图片尺寸600x649
kacdp12斜井巷安全调配车系统直供山西
图片尺寸1800x1350
车界故事利用
图片尺寸850x627
折返式井底车场
图片尺寸462x197
车间隔离网
图片尺寸1654x880
图片信息
图片尺寸794x529
折返式井底车场
图片尺寸593x240
第二节井底车场的形式及其选择ppt
图片尺寸1080x810
全部图片
图片尺寸670x670