抛光机机构

磁力抛光机机构学是着重研究机械中机构的结构和运动等问题的学科,是
图片尺寸640x425
x自动调节压紧抛光机-爱企查
图片尺寸1816x1863
全自动钢管抛光机用抛光机构
图片尺寸1147x1116
方管抛光机工作过程
图片尺寸2284x4062
送料抛光机
图片尺寸531x612
一种双面平面研磨抛光机的制作方法
图片尺寸992x1000
连续式多工位曲面抛光机-爱企查
图片尺寸414x382
一种新型货叉抛光机
图片尺寸1554x1342
可编程式自动抛光机的制作方法
图片尺寸804x926
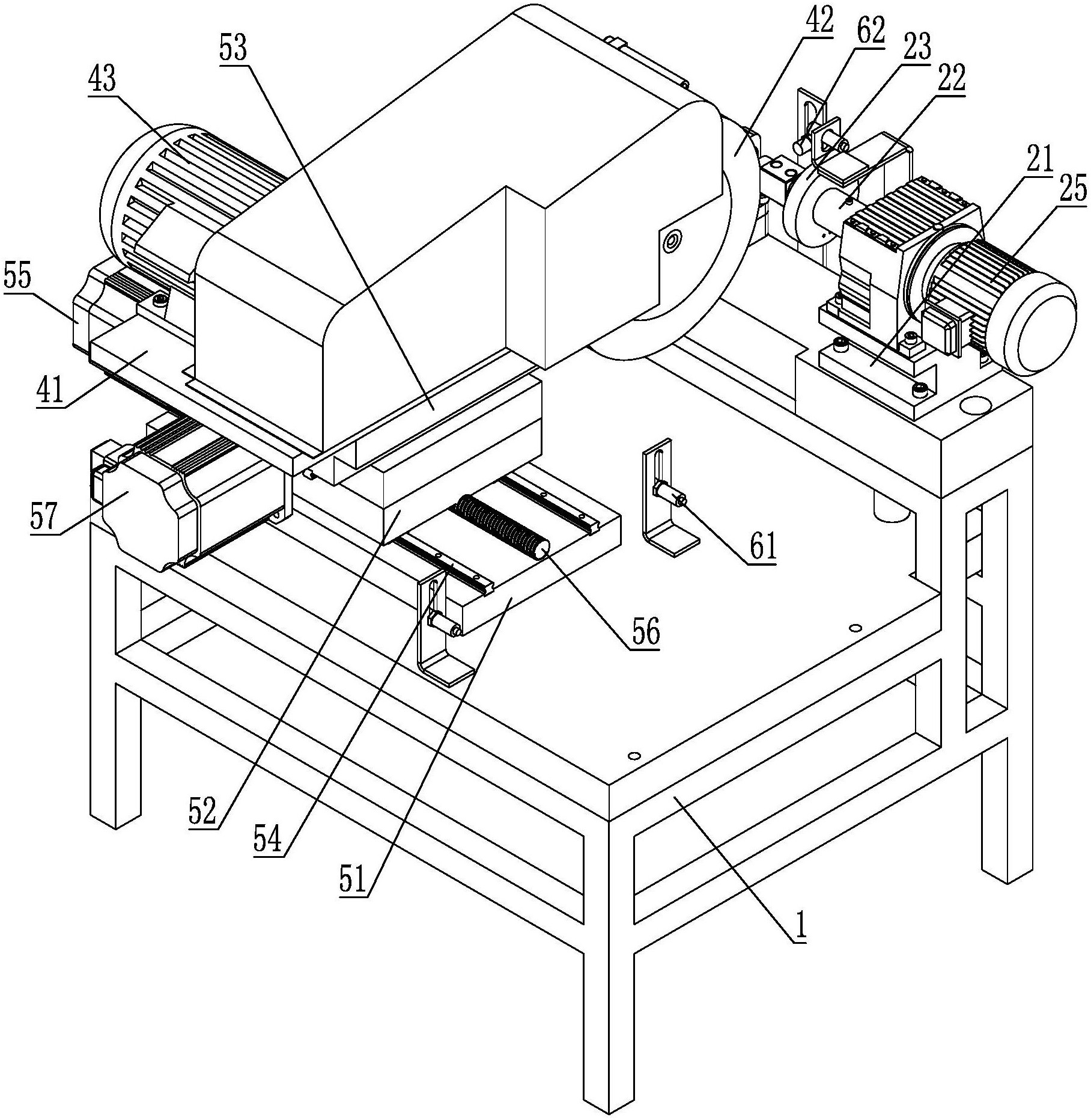
一种零部件抛光机的制作方法
图片尺寸1913x1990
抛光机起升机构.dwg缩略图
图片尺寸841x593
抛光机砂带胀紧机构-爱企查
图片尺寸2082x2222
本发明公开一种简易抛光机,包括机架,安装于机架上的磨削机构和工件
图片尺寸2165x1574
圆管抛光机采用无心磨原理,由抛磨和送进两大机构组成,通过调节磨头
图片尺寸3072x4096
一种抛光机自动打蜡机构的制作方法
图片尺寸1000x329
管材抛光机的双磨轮联动机构制造技术
图片尺寸1000x912
二维摆动抛光机
图片尺寸2057x1401
方管抛光机机器展示视频
图片尺寸1843x3276
多功能五轴数控抛光机
图片尺寸1659x1794
抛光机该怎么选择?
图片尺寸1080x1920