抱闸制动器结构图

电力液压制动器ywz-600/180,制动器厂家,起重抱闸,制动轮制动器
图片尺寸355x298
1,电磁抱闸的结构:主要由两部分组成:制动电磁铁和闸瓦制动器.
图片尺寸454x335
衔铁 铁心 弹簧 闸轮 杠杆 闸瓦 线圈 轴 结构 电磁抱闸制动器 第
图片尺寸1080x810
电梯制动器抱闸的作用与调整方法
图片尺寸651x433
液压制动器结构图
图片尺寸850x600
电机电磁抱闸的工作原理
图片尺寸1080x1920
由制动电磁铁和闸瓦制动器组成的电磁抱闸制动器
图片尺寸407x343
电磁抱闸制动器工作原理示意图 电源 1-弹簧 2-衔铁 3-线圈 4-铁心 5
图片尺寸1080x810
电磁抱闸制动的结构和工作原理是怎样的,怎样进行调整
图片尺寸328x295
断电型电磁离合制动器结构示意图 1)断电型电磁抱闸制动控制电路
图片尺寸608x389
停止的艺术②——制动器
图片尺寸600x543
三闸瓦式曳引机抱闸制动装置制造方法及图纸
图片尺寸563x589
sdz130dc99v30nm70wyej100电机刹车失电电磁制动器断电抱闸
图片尺寸1000x670
bfk458-12n,bfk458-12e安全制动器 替代emco lenze伦茨电机抱闸
图片尺寸680x706
自行车的抱闸是一种常规的刹车结构,刹车的好坏直接影响我们骑车的
图片尺寸443x402
抱闸部件图
图片尺寸820x579
本实用新型公开了一种电梯抱闸结构,包括抱闸轮,内置线圈的制动器,顶
图片尺寸1636x1630
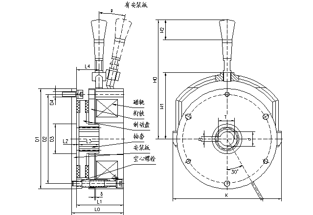
制动器结构图
图片尺寸782x221
gen2(2.6t)主机内部结构培训通过图片的形式,讲述制动器的内部组成
图片尺寸600x405
tqz1-80电磁制动器yej132电机刹车y2ej132电机抱闸制动器
图片尺寸640x440