抽气瓶简笔画

简单煤气罐怎么画手绘 卡通煤气罐简笔画图片
图片尺寸497x469
简单煤气罐怎么画手绘 卡通煤气罐简笔画图片
图片尺寸489x476
集气瓶简笔画
图片尺寸500x404
氧气瓶简笔画
图片尺寸494x384
氧气瓶简笔画
图片尺寸900x600
氧气罐简笔画
图片尺寸217x262
如何画潜水氧气筒简笔画
图片尺寸900x600
供应实验室玻璃仪器
图片尺寸793x577
2019207344573
图片尺寸443x330
抽气0盘216真空罩电铃抽气瓶直径180m0物理教学实验仪器有机塑
图片尺寸250x300
抽气组件的上端设置有进气组件,集气组件包括集气瓶,集气瓶的上端开设
图片尺寸835x1232
14cm(长*宽*高)6,过滤头灭菌方式:湿热灭菌,火焰枪快速灭菌5,抽液速率
图片尺寸1920x1161
pdf 6页
图片尺寸792x1120
10ml,20ml移液管各一支,50ml容量瓶6个,样品管1个,毛细管1个,抽气瓶1
图片尺寸444x339
有机制备仪 少量半微量有机制备仪 厂家供应
图片尺寸414x552
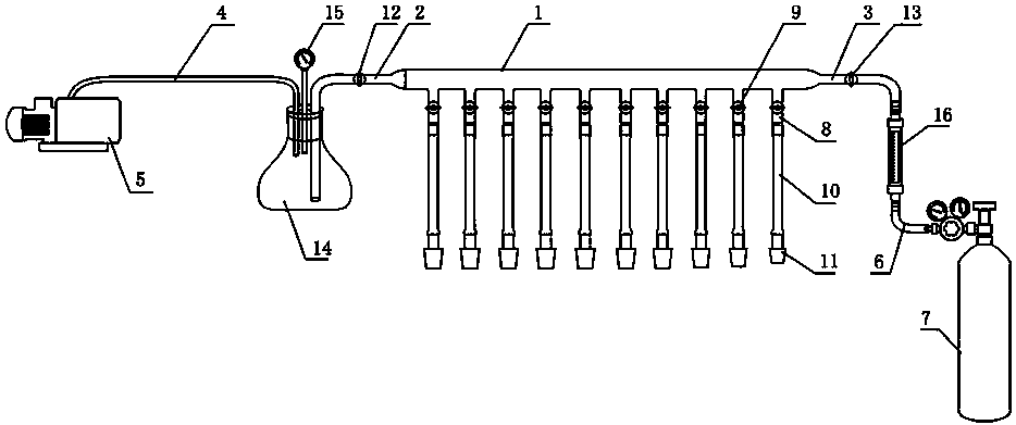
实验室用抽真空充惰性气体系统
图片尺寸934x391
上下口抽气瓶
图片尺寸500x554
6,抽液速率:100ml/15s;5,抽滤方式:隔膜泵负压抽滤,无需抽气瓶;4,检测
图片尺寸1080x1080
6,抽液速率:100ml/15s;5,抽滤方式:隔膜泵负压抽滤,无需抽气瓶;4,检测
图片尺寸1000x1000
浙江微生物薄膜过滤装置cyw-300s微生物限度检测仪
图片尺寸600x800