拉杆音箱电路图

jinyun-160d型户外拉杆音箱原理与维修(上)
图片尺寸1756x1536
一种多功能移动拉杆音箱的制作方法
图片尺寸882x554
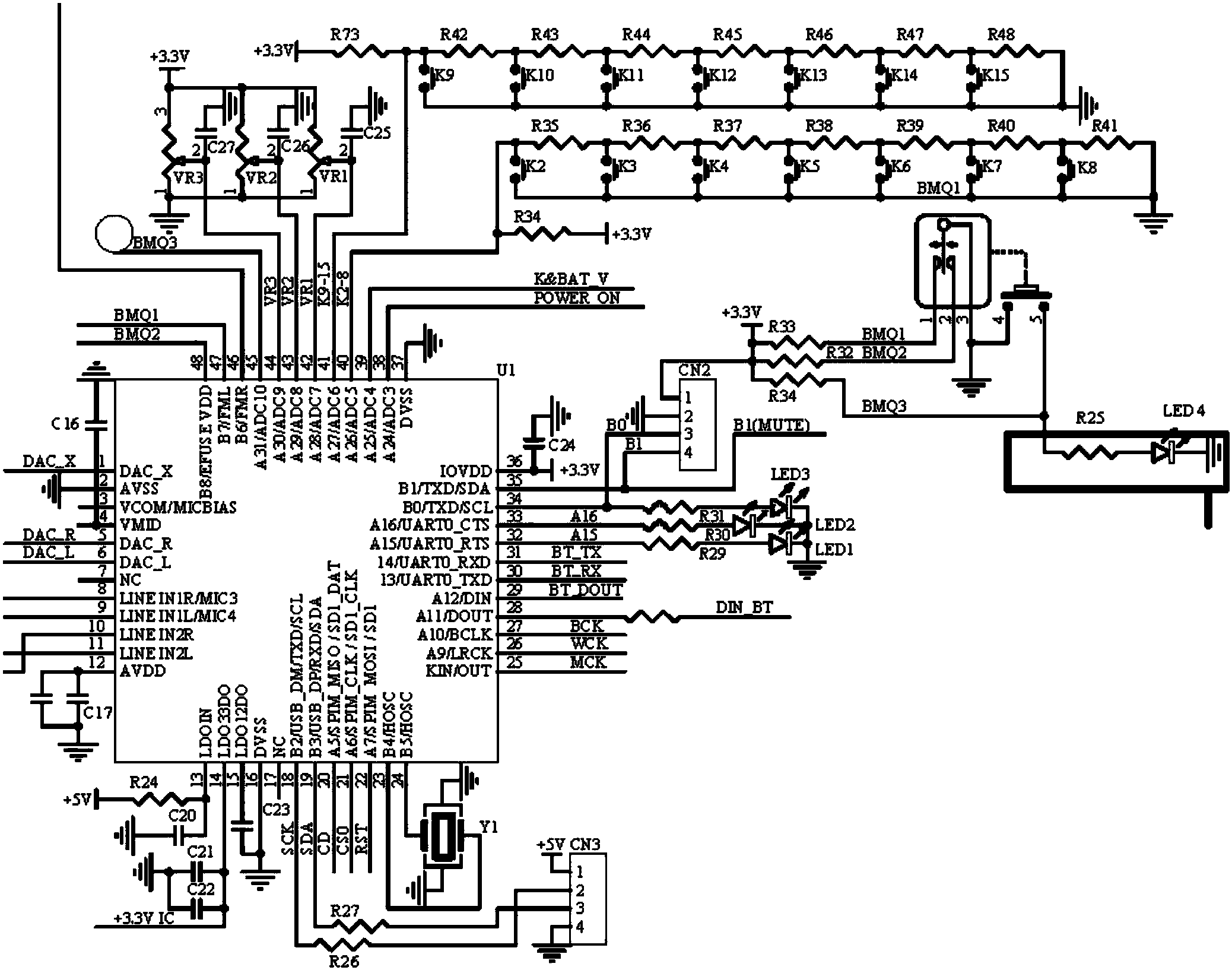
拉杆音箱的dsp信号处理模块,包括dsp芯片u1,晶体振荡器y1,稳压电路
图片尺寸2076x1634
1音箱原理图
图片尺寸1187x849
一种用于网络直播的拉杆音箱信号传输处理电路的制作方法
图片尺寸748x1000
润宝轻骑兵立体声有源音箱电路
图片尺寸1463x1508
立体声一体化有源音箱电路图
图片尺寸1263x843
漫步者r800tc音箱电路图
图片尺寸1212x777
一种移动拉杆音箱的mcu模块的制作方法
图片尺寸982x1000
无忧文档 所有分类 工程科技 电子/电路 多媒体音箱原理图r14 750r
图片尺寸1188x881
1声道有源音箱电路图分析及维修方法
图片尺寸729x565
飞利浦sw2000有源重低音音箱电路
图片尺寸2445x1692
自制小音箱电路图
图片尺寸893x564
1多媒体音箱电路图附讲解(转帖)
图片尺寸800x600
1多媒体音箱电路图附讲解
图片尺寸1263x677
usb供电电脑音箱电路图
图片尺寸725x484
soling牌车用有源音箱电路图
图片尺寸1024x472
10w调频音箱电路图
图片尺寸1216x681
fender 音箱电路图
图片尺寸1979x2994
蓝牙音箱电路图
图片尺寸1188x918