挂车线路布置图

半挂车使用经验之电路篇
图片尺寸640x346
拿走不谢拖挂车信号线接线图示
图片尺寸1080x1439
汽车线束布置设计指南
图片尺寸435x544
挂车为什么要配备ebs,有何技术特点和优势?
图片尺寸1024x594
沃尔沃挂车七芯线接线方法图解
图片尺寸540x960
汽车线束管路布置设计指南
图片尺寸1080x810
沃尔沃挂车七芯线接线方法图解
图片尺寸960x540
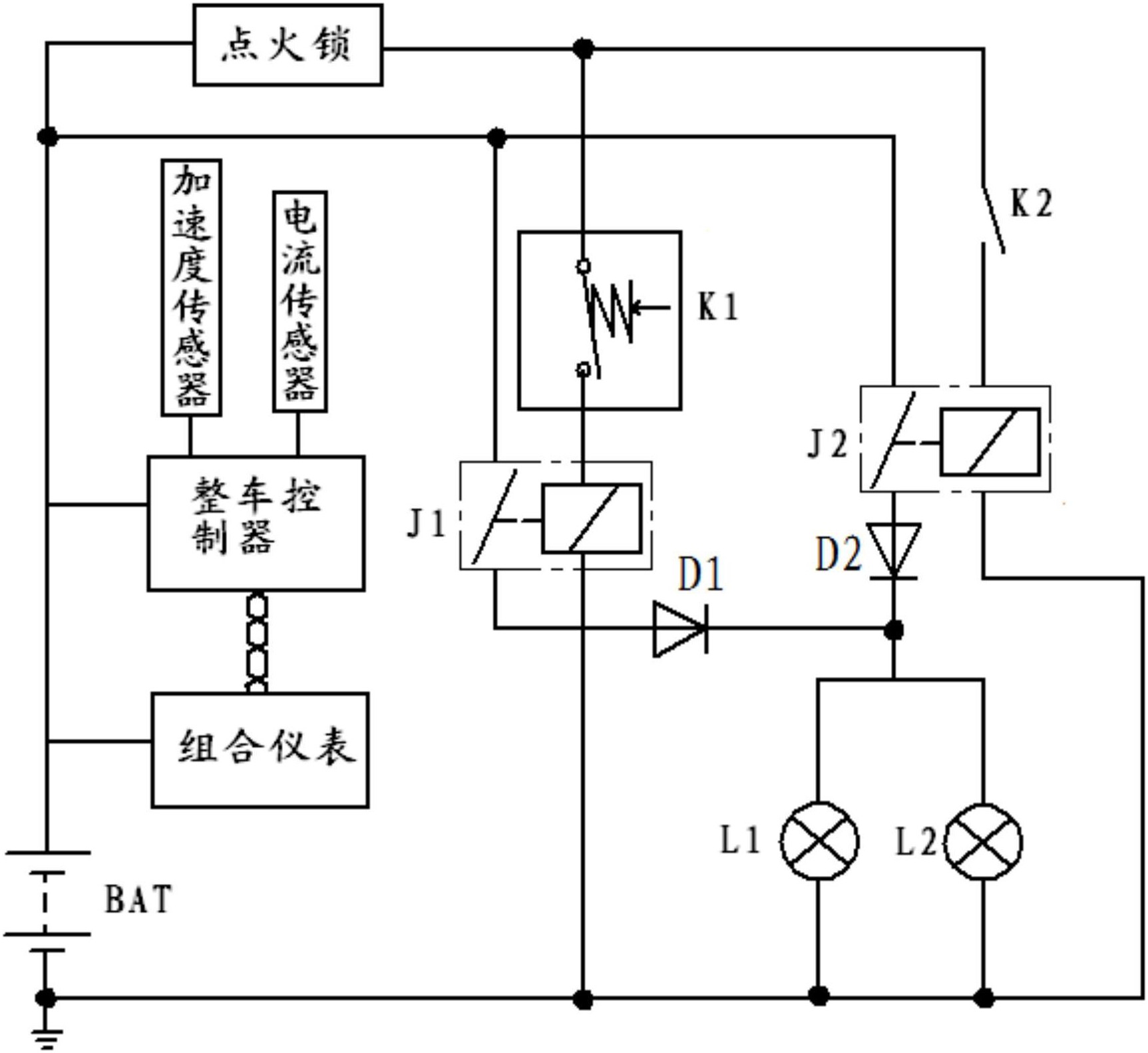
一种挂车制动灯控制电路
图片尺寸1725x1582
电工技术学习
图片尺寸1107x789
沃尔沃挂车七芯线接线方法图解
图片尺寸540x720
沃尔沃挂车七芯线接线方法图解
图片尺寸540x960
半挂车制动气路布置图解
图片尺寸878x701
史上最全半挂车维保知识攻略
图片尺寸846x452
小牛n1s总线束线路图
图片尺寸828x1792
小牛n1s总线束线路图
图片尺寸828x1792
主页 新闻中心 用车养车 ② 电路布置图 挂车iso 7638电缆做供电连接
图片尺寸1500x1000
半挂车,全挂车,中置轴挂车的区分方法
图片尺寸1920x2560
挂车制动系统中紧急继动阀的三大功能详解
图片尺寸698x527
众泰t600右转向灯电路图查找及修复
众泰t600
图片尺寸1080x1440
具有挂车控制气路的主车制动气路系统
图片尺寸1730x1046