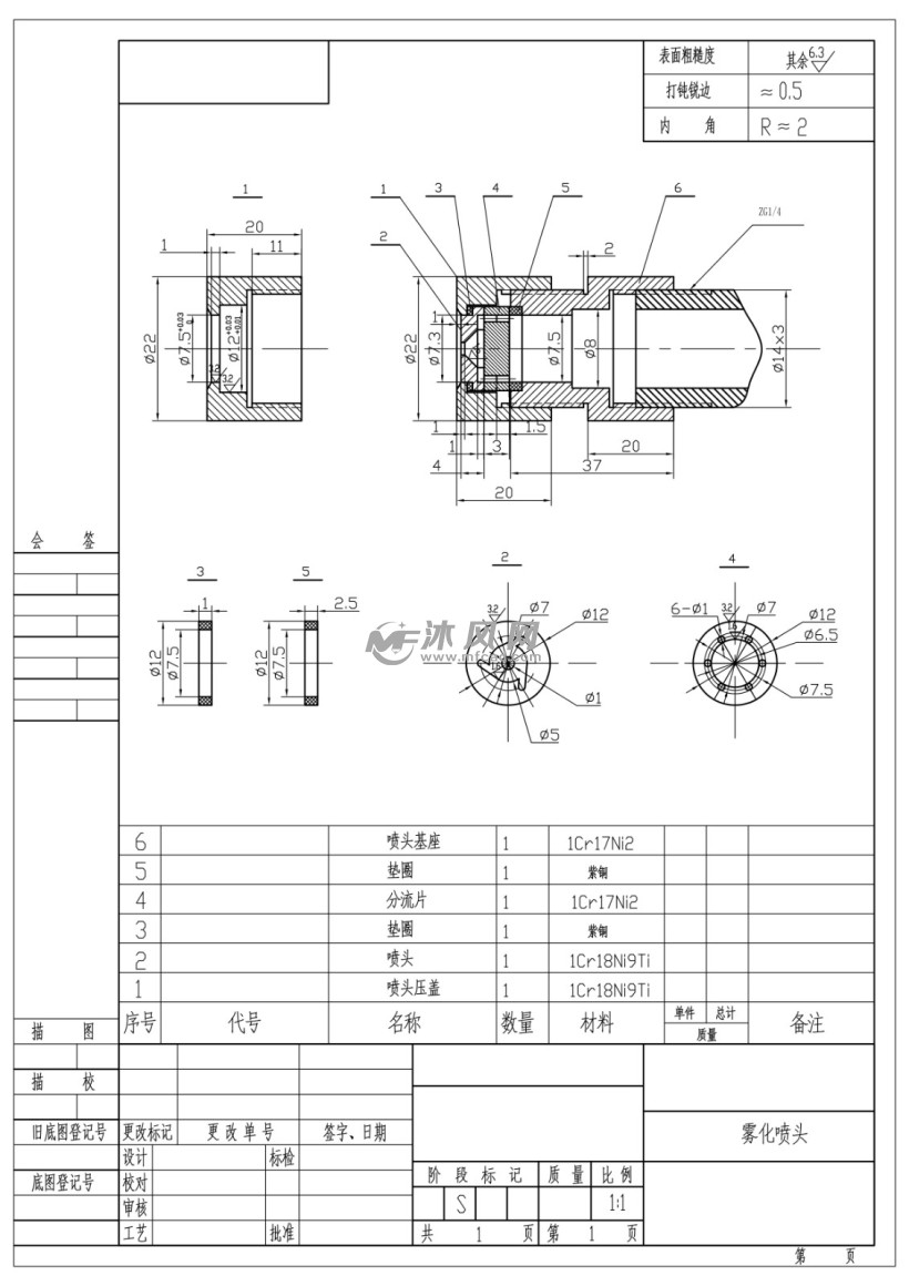
按压喷雾喷头组装图

一种按压式喷头的制作方法
图片尺寸889x1000
一种全塑低挥发型按压式喷雾器
图片尺寸1322x925
美乐棵 1.5l压力喷壶 浇花喷水壶 喷雾器 园艺用品
图片尺寸750x527
厂家气压式喷雾器喷水壶手动喷雾器浇花喷壶2l园艺工具
图片尺寸750x496
a-100吸塑机喷头 a100自动喷枪 st5/6波峰焊松香喷嘴空气雾化喷头
图片尺寸750x750
a-100吸塑机喷头 a100自动喷枪 st5/6波峰焊松香喷嘴空气雾化喷头
图片尺寸750x750
pari德国百瑞喷雾器parilcplus
图片尺寸500x687
美妆工具护肤品鸭嘴细雾喷雾头精华水乳专用泵头化妆品按压头通用
图片尺寸800x800
消防洒水喷头
图片尺寸1280x720
美容工具搭配喷雾头化妆水细雾喷头柔肤水18 20 24 28牙喷头定制
图片尺寸790x1796
工厂定制磨砂瓶身体乳液瓶按压式泵头化妆品卸妆油瓶塑料喷头包装
图片尺寸790x449
迷你手扣式喷雾头倒喷,开关按钮小老鼠手扣式喷头
图片尺寸697x687
可乐饮料通用喷壶喷头园艺浇花家用喷雾器配件洒水
图片尺寸800x800
旋流压力雾化喷嘴
图片尺寸820x1160
喷雾器包括壳体,主体,喷头,活塞,扳手,弹性件,阀塞,容置腔的内端处
图片尺寸1600x2439
本实验还用到喷雾器(结构见图5),钟油.
图片尺寸296x290
塑料镶嵌陶瓷雾化喷嘴 高压雾化喷头 防滴漏单流体雾化kbn喷头
图片尺寸800x1120
喷雾器结构改进
图片尺寸800x1269
手动喷雾器
图片尺寸812x1000
浇花喷壶家用手压式室内外园艺气压式喷水壶压力喷雾瓶小型浇水壶
图片尺寸750x1265