排水沟平面图

北京香格里拉饭店全套景观设计施工图(0402edsa)_yc-35排水沟详图.jpg
图片尺寸2362x1685
五套常用排水沟建筑cad图纸
图片尺寸599x500
某排水沟cad设计图
图片尺寸610x861
想请问下关于排水沟的问题
图片尺寸1597x694
排水沟布置图及详图
图片尺寸609x437
排水沟用什么来画
图片尺寸956x692
某排水沟节点构造详图
图片尺寸943x668
排水沟的设置与施工
图片尺寸422x396
钢筋混凝土排水沟详图
图片尺寸708x550
篮球场边的排水沟怎么计算需要按米还是面积还是全部实体计算
图片尺寸611x602
深基坑砖砌排水沟
图片尺寸1145x794
排水沟设计图纸
图片尺寸573x402
树脂混凝土成品排水沟
图片尺寸882x768
地下室排水沟怎么绘制
图片尺寸2304x1728
请问地下室排水沟是用自定义集水坑画还是地沟画
图片尺寸1176x854
排水沟该如何画
图片尺寸772x551
现浇混凝土边沟排水沟设计cad图
图片尺寸610x449
排水沟
图片尺寸746x552
排水沟画法
图片尺寸1819x860
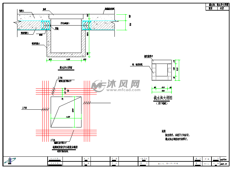
混凝土排水沟及盖板设计详图
图片尺寸818x488