掘进机回转轴承结构图

滚动轴承的基本结构及组成轴承的部件相关知识介绍
图片尺寸1080x1634
回转轴承的制作方法
图片尺寸1000x868
图纸来了:旋转轴承(共5张图纸)#技术分享 #图纸 - 抖音
图片尺寸1440x2038
fag dklfa40140-2rs轴承
图片尺寸1799x1200
2 t 主要组成部件:本体架,回转台,盖板,回转轴承等
图片尺寸1080x810
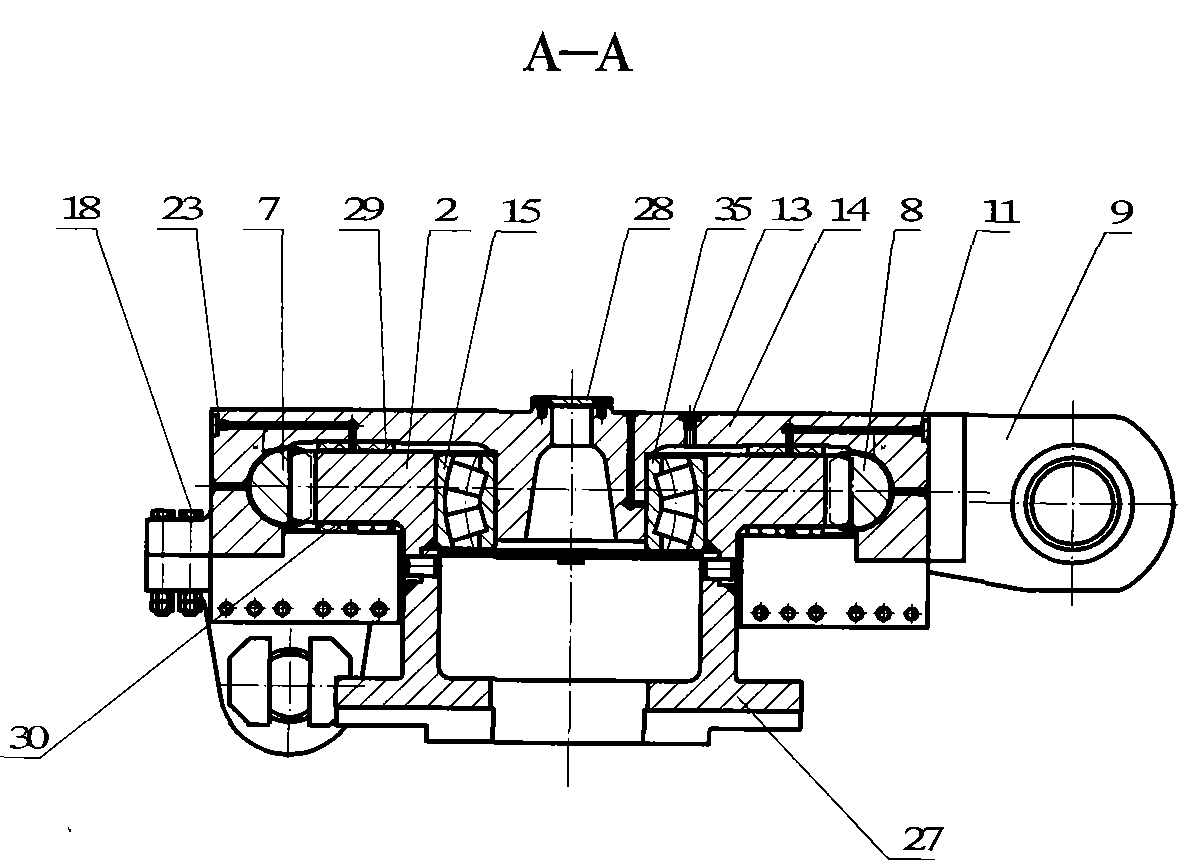
一种采煤掘进机的齿轮齿条式回转装置
图片尺寸1904x1877
一种采煤掘进机的齿轮齿条式回转装置
图片尺寸1381x1262
常见回转支承结构(组件)
图片尺寸1080x1096
回转轴承联接 回转台 回转轴承 本体架
图片尺寸1080x810
一种采煤掘进机的齿轮齿条式回转装置
图片尺寸1339x1154
掘进机主轴承及其载荷分布计算方法和系统与流程
图片尺寸1856x924
cn212806477u_回转窑托轮轴承结构
图片尺寸1718x1912
掘进机回转轴承 掘进机行星总成 掘进机二级行星减速机总成
图片尺寸800x800
大型回转支承轴承滚子装配方法 具有通孔和塞子的回转轴承
图片尺寸640x443
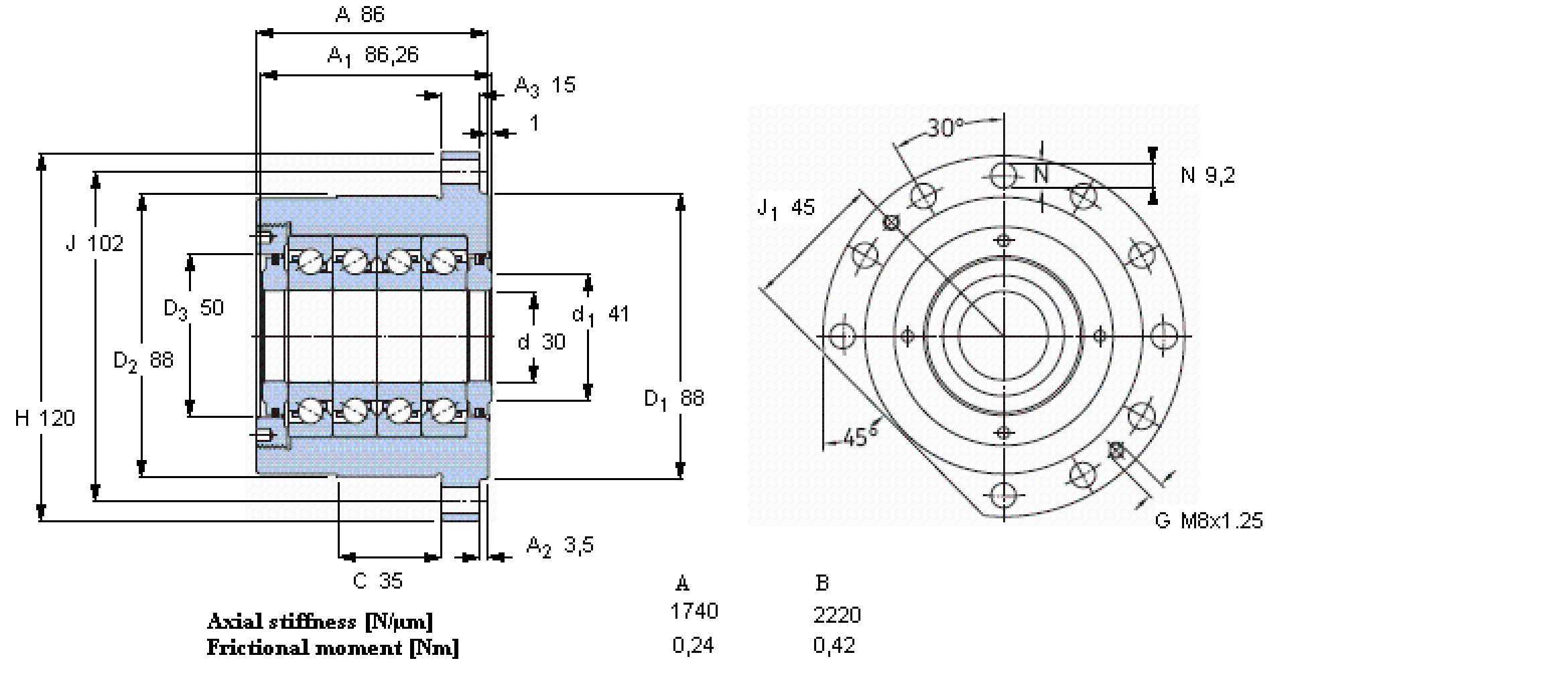
skf fbsa206a/qbc轴承
图片尺寸2340x1020
网站首页 产品中心 轴承 查看详情 回转支承是新型机械零部件,它有内
图片尺寸424x346
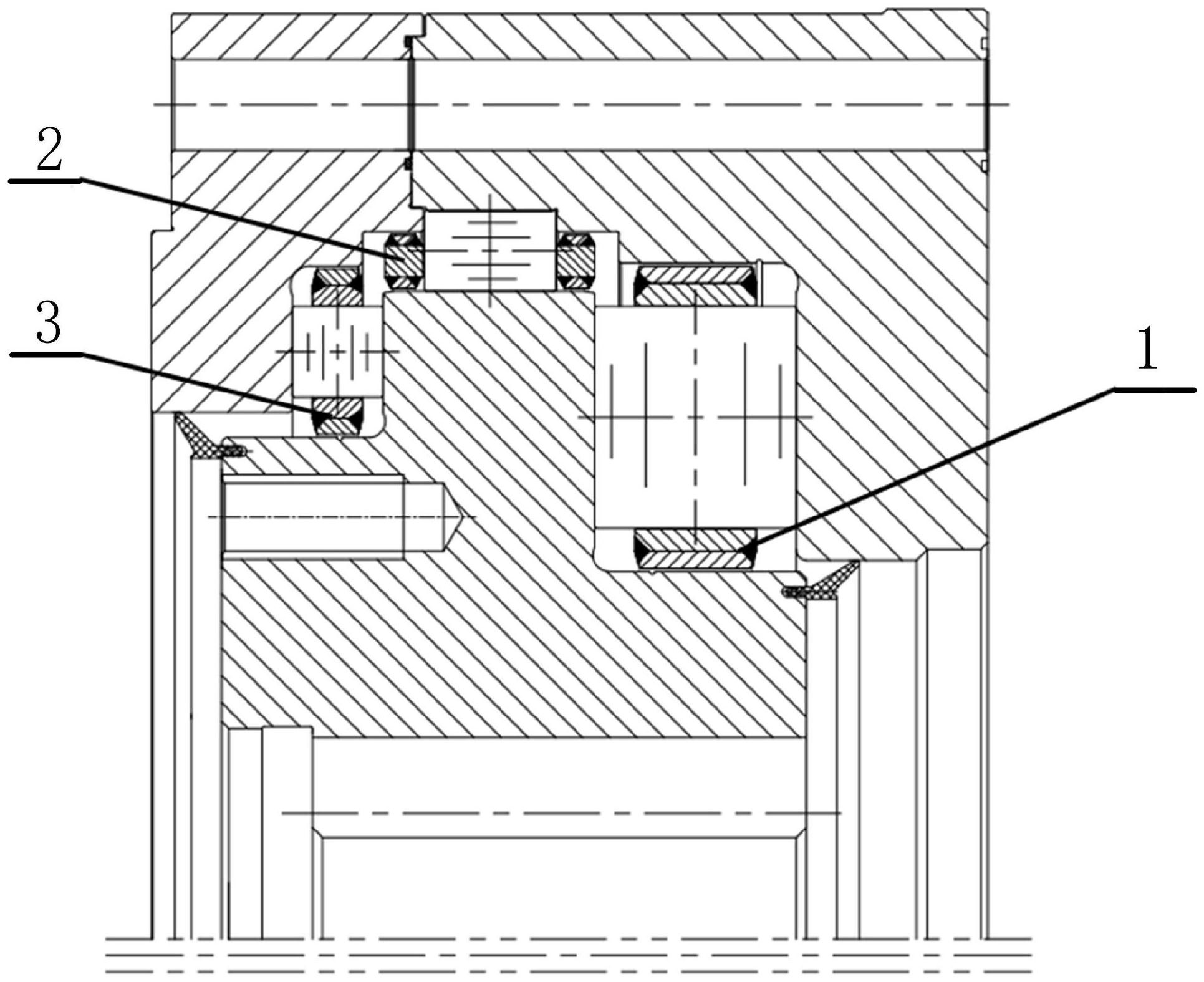
一种掘进机主轴承及其轴向保持架和径向保持架
图片尺寸1931x1575
二,挡轮轴承的结构及拆卸某公司5000t/d生产线回转窑采用液压挡轮装置
图片尺寸482x256
一种采煤掘进机的齿轮齿条式回转装置
图片尺寸1183x860
回转式空预器导向轴承和支持轴承的工作原理
图片尺寸465x408