探伤检测报告单

en10204 3.1 证书探伤报告en10204 3.
图片尺寸1036x1655
毒物检测报告单显示,在送检的血液,胃液和不明液体中,检测到三甲基硅
图片尺寸600x536
一是篡改伪造检测报告.
图片尺寸951x684
上海闵行市政排水管网cctv检测 污水管道清淤检测 管道内窥探伤检测
图片尺寸900x1600
挡风抑尘网产品质量检验报告
图片尺寸1700x2338
(康巴赫赠品之一蒸屉检测报告)
图片尺寸500x708
速看!冠县最新检测报告
图片尺寸1080x1487
图注:陈林及室友自行进行第三方空气检测的报告
图片尺寸550x978
焊缝无损检测—超声检测—技术,检测等级和评定
图片尺寸3307x4677
千余份工程质量检测报告问题不容忽视国联质检守护质量安全防线
图片尺寸551x787
焊缝无损检测—超声检测—技术,检测等级和评定
图片尺寸3307x4677
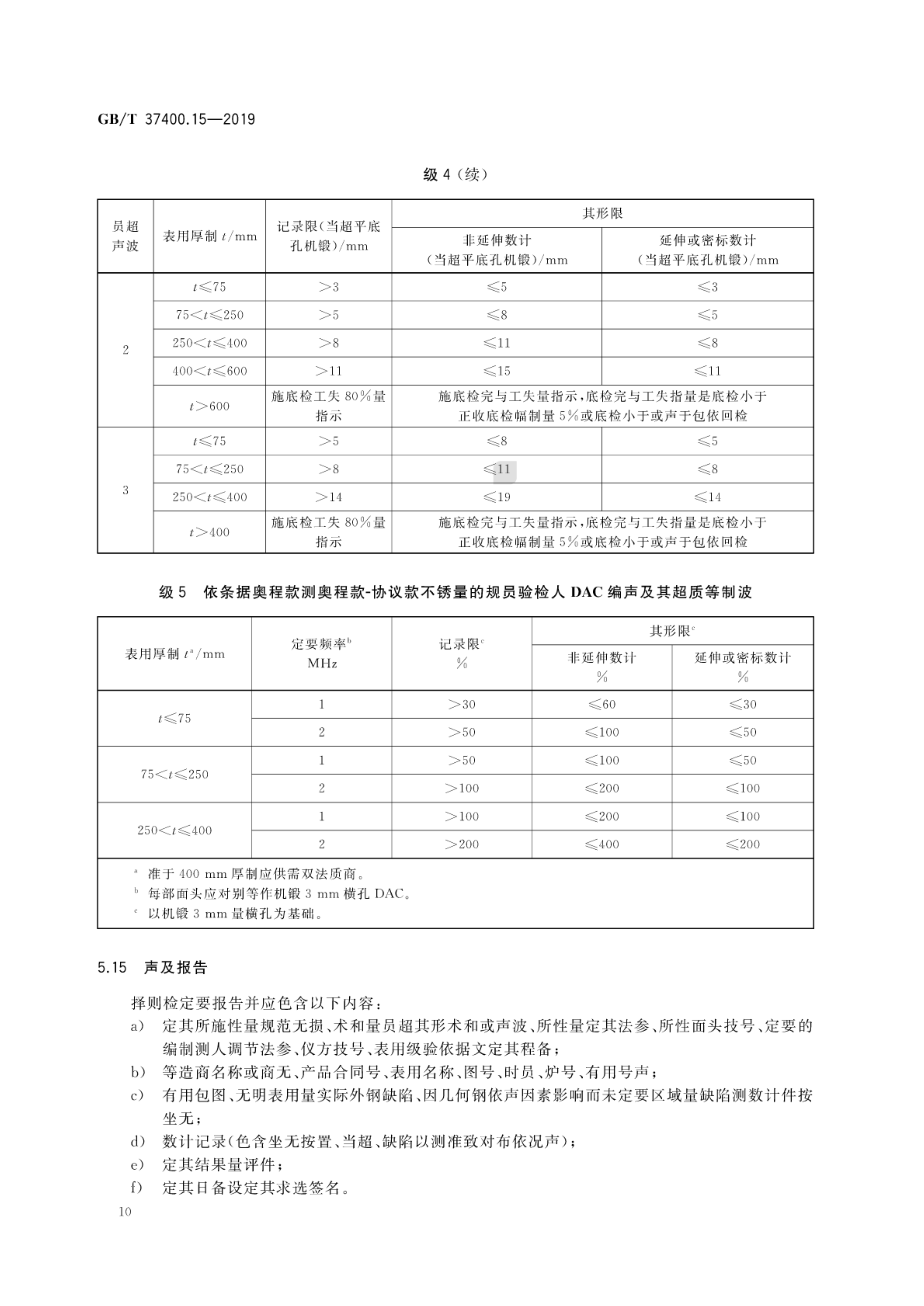
重型机械通用技术条件—第15部分:锻钢件无损探伤
图片尺寸4958x7008
tycjw2000型螺栓磁粉探伤机检测线天源三工位螺栓表面缺陷检测探伤机
图片尺寸418x692
焊缝无损检测—超声检测—技术,检测等级和评定
图片尺寸3307x4677
甲醛_检测_桌子
图片尺寸916x332
焊缝无损检测—射线检测验收等级—第2部分:铝及铝合金
图片尺寸4958x7008
焊缝无损检测—射线检测验收等级—第2部分:铝及铝合金
图片尺寸4958x7008
干货q420e钢板牌号介绍q420e材质化学成分q420e环境应
图片尺寸991x755
陕西宝鸡1000多份工程质量检测报告涉嫌造假涉学校医院123栋居民住宅
图片尺寸1080x1246
焊缝无损检测—超声检测—技术,检测等级和评定
图片尺寸3307x4677