接地刀闸型号

jn15-12/31.5-250 jn15-10/31.5户内高压接地开关 kyn28接地刀闸
图片尺寸700x668
荣控户外交流隔离开关gw4-35/630a陶瓷刀闸开关户外高压隔离开关
图片尺寸790x1381
jn2-40.5型户内高压接地开关,接地刀闸型号及含义
图片尺寸400x286
民熔10kv户外高压隔离开关gw410kv手动双接地柱上隔离开关刀闸米白色
图片尺寸790x997
5/1000a刀闸现货
图片尺寸750x623
民熔10kv户外高压隔离开关gw410kv手动双接地柱上隔离开关刀闸米白色
图片尺寸790x1173
1#机6kv中置式开关合接地刀闸
图片尺寸2304x1728
jn22405kv315ka户内高压ab型接地开关35kv柜内开关高压接地刀
图片尺寸750x976
母线带电时防止合接地刀闸
图片尺寸800x516
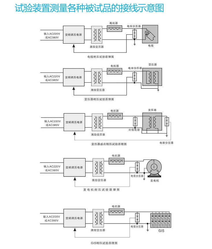
电缆耐压试验仪实力大厂
图片尺寸734x862
供应高压接地开关 jn22-12 jn22-40.5厂家 生产直销供应现货
图片尺寸1319x1628
5户内高压接地开关24kv高压接地刀闸开关jn15
图片尺寸800x934
高压隔离开关低压隔离开关户外隔离开关多种型号刀闸
图片尺寸750x550
5接地刀闸 jn22-40.
图片尺寸800x537
大变压器铁心弯曲变形试验仪
图片尺寸650x370
大变压器铁心弯曲变形试验仪
图片尺寸649x352
gw912gw912柱上10kv高压隔离刀闸
图片尺寸991x796
hdgk高压隔离开关触指压力测试仪的使用方法_测量_模拟_调整
图片尺寸500x500
5ka中置柜环网柜高压接地刀闸
图片尺寸750x572
大电机调试台3000w
图片尺寸701x611