接线端子原理图

变频器外部端子控制启停调速
图片尺寸640x454
kf70/200-ye,kf70/150-ge,kf70/200-ge,kfrd70-32w-se接线端子图
图片尺寸999x1186
1.主电路接线端 三菱fr-e500变频器主电路的接线端如图所示.
图片尺寸2000x1797
a2 端子接线图.pdf
图片尺寸800x566
电流试验端子的接线图
图片尺寸708x318
台达b系列变频器控制回路端子说明图片
图片尺寸1009x1434
kf110/300-ye空气能热水器接线端子如下图:kf70/150-ye,kf70/200-ye
图片尺寸1046x1400
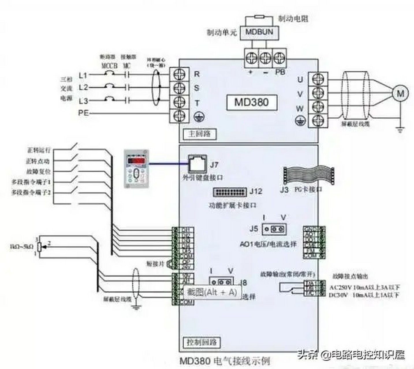
变频器主端子和控制端子的接线详细原理图!
图片尺寸1434x1280
端子接线图.png
图片尺寸1198x973
电机端子接线图
图片尺寸994x642
消防余压控制器的接线方式_探测器_端子_端口
图片尺寸1080x1192
kp551端子图.png
图片尺寸1697x1131
xmt623f端子接线图
图片尺寸365x369
英威腾gd200a系列gp合92变频器主回路,控制回路,输入/输出信号接线
图片尺寸909x506
电气二次接线图之端子排图介绍_哔哩哔哩_bilibili
图片尺寸1367x854
使用指南 | 奥通伺服驱动器端子简介及电源电路连接_接线_制动_电阻
图片尺寸1053x657
变频器的端子功能与接线
图片尺寸720x794
变频器接线端子说明
图片尺寸867x468
西门子mm420变频器端子接线图
图片尺寸920x1302
接线端子示意图
图片尺寸333x289