控制回路原理图

三相异步电动机单向连续运行控制电路图
图片尺寸920x1302
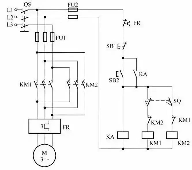
该电路的工作原理为:电动机拖动生产机械运动到指定位置时,撞块压下
图片尺寸555x492
自动循环往复控制线路图
图片尺寸920x651
28例电气自动控制电路图,都是干货,快收藏吧!
图片尺寸2341x2144
集水井供水站控制原理图 - 抖音
图片尺寸448x425
商品专题_a回路泵 b回路泵 c回路泵图5-38 图5-38 潜污泵三地控制正
图片尺寸1152x904
多有常用电动机控制电路图全在这里
图片尺寸666x592
电气控制原理图.png
图片尺寸1763x992
断路器的控制回路 请问s4 s1 s5 lk k1 是什么意思吗?
图片尺寸2592x1944
电动忧m的主回路由q,ful,km的常开触头kml和kr的热元件组成;控制回路
图片尺寸2062x1503
中国工控28例电气自动控制电路图都是干货快收藏吧
图片尺寸2396x1920
电动机控制回路图
图片尺寸1080x810
电气控制电路图.doc
图片尺寸794x1123
几幅经典的电动机控制电路图,你都看明白了吗?
图片尺寸640x493
基于噪声检测的反接制动控制电气线路制造技术
图片尺寸996x1000
图4大车电气控制原理图
图片尺寸2117x1295
一种断路器控制回路
图片尺寸1679x1550
28例电气自动控制电路图,都是干货,快收藏吧!
图片尺寸1900x1852
详解二次回路的基本控制原理
图片尺寸640x421
求次电气控制原理图的工作原理.谢谢!
图片尺寸3264x2448