推力球轴承结构图

推力球轴承结构全
图片尺寸660x220
厂家直销平面推力球轴承 51148推力轴承 量大从优
图片尺寸854x447
推力球轴承_推力球轴承厂家_洛阳鸿元轴承_honb
图片尺寸1919x807
磨床主轴结构中向心推力球轴承的应用
图片尺寸490x276
图1 原前轴承简图图1为原前轴承简图,图2为改进后前轴承结构.
图片尺寸621x323
一种水润滑错位推力轴承
图片尺寸2563x1512
53000u带球面座圈的外调心推力球轴承
图片尺寸1141x1044
ikd复合型滚针轴承是径向轴承部搭配带保持架的滚针轴承,推力轴承部
图片尺寸582x426
推力球轴承
图片尺寸600x450
泉州推力球轴承51100-51180系列-平面轴承-国兴轴承-guo轴承-福建泉州
图片尺寸792x294
双向推力球轴承的结构及特性
图片尺寸472x296
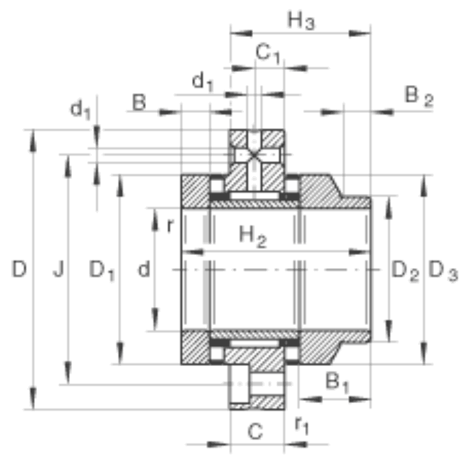
ntn轴承-向心推力球轴承结构术语
图片尺寸380x221
球面滚子推力轴承经常出问题三分造七分用
图片尺寸644x836
供应济南52216推力球轴承 山东推力球轴承 青岛推力球轴承
图片尺寸501x249
8108 哈尔滨hrb平面推力球轴承51108 内径40mm*外径60mm*厚度13mm
图片尺寸745x470
54000u带球面座圈的双向外调心推力球轴承
图片尺寸1060x1039
6 类型 详细类型 单向推力角接触球轴承 产品型号: 新型号:5691/600
图片尺寸324x223
target="_blank" href="/item/推力圆柱滚子轴承/3685957" data-lem
图片尺寸690x690
滚针/推力球轴承
图片尺寸690x275
胜博发娱乐老虎机:单向推力球轴承
图片尺寸314x414