推土机液压系统

推土机液压系统故障原因分析
图片尺寸650x743
d375a-2 型推土机液压系统原理图
图片尺寸700x619
d85a-18型推土机液压系统
图片尺寸286x416
推土机工作装置液压控制系统 推土机工作装置 液压系统可根据 作业
图片尺寸1080x810
t1401推土机液压系统故障的诊断与排除
图片尺寸321x314
推土机液压系统的常见故障分析与排除(t140一1型)
图片尺寸454x558
液压系统 (机械)
图片尺寸1085x874
应用回路示意图_d7推土机液压系统图
图片尺寸553x289
cn108639151a_一种可实现液控全液压推土机原地转向的液压系统在审
图片尺寸1414x2732
推土机液压系统油温过高故障的诊断与排除
图片尺寸369x451
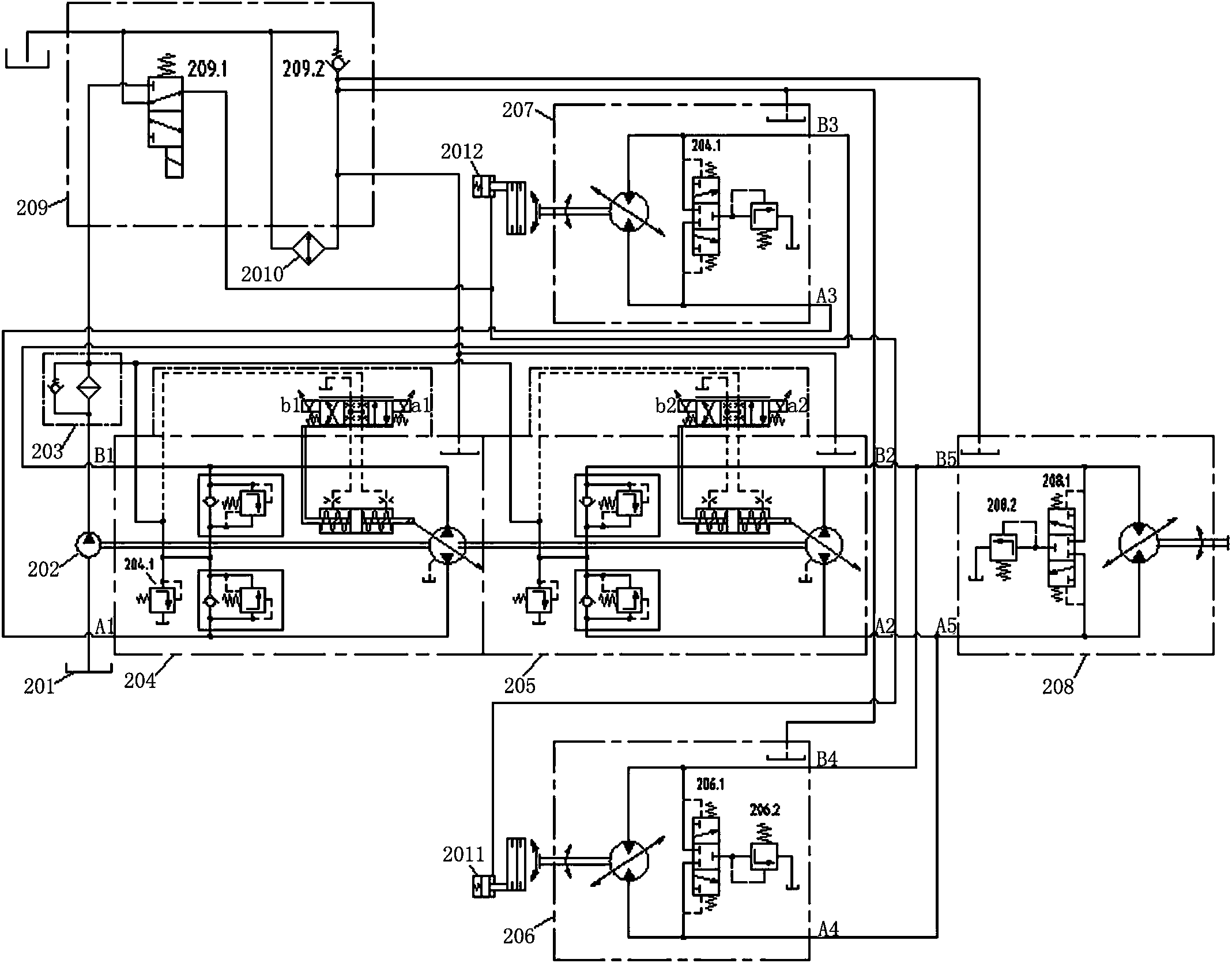
一种静液压推土机闭式绞车液压系统
图片尺寸2137x1670
农用推土机,农用推土机百科
图片尺寸400x249
液压传动浅谈
图片尺寸777x598
ty220推土机液压传动系统故障的诊断与排除
图片尺寸554x413
t1401推土机液压系统故障的诊断与排除
图片尺寸316x515
拖拉机液压系统
图片尺寸785x643
推土机液压系统的常见故障分析与排除(t140一1型)
图片尺寸467x585
一种推土机安全停车液压系统技术方案,推土机液压系统专利_技高网
图片尺寸556x782
挖泥船液压系统
图片尺寸671x481
液压系统是产生噪声及解决办法
图片尺寸380x285