插座电路

如图所示的家庭电路中火线与零线间的电压为v电路中的两个插座连接
图片尺寸532x276
做了一个水钻联动插座附电路图和大家分享一下
图片尺寸1379x897
插座电路图
图片尺寸620x352
一种电量统计的智能插座电路
图片尺寸1782x1375
完成下列电路图,其中三孔插座带保险丝.
图片尺寸416x167
一个开关,四个五孔插座电路接法
图片尺寸800x450
多个插座并联的最佳接线方法并联插座接法请看下图
图片尺寸542x273
cn207559873u_一种交流控制的插座电路有效
图片尺寸1608x833
用开关控制插座,怎么接线?
图片尺寸1600x729
定时插座电路图
图片尺寸1280x733
一个回路最多几个插座
图片尺寸640x360
把带有开关的电灯,三孔插座正确地连入下图的家庭电路中.
图片尺寸394x172
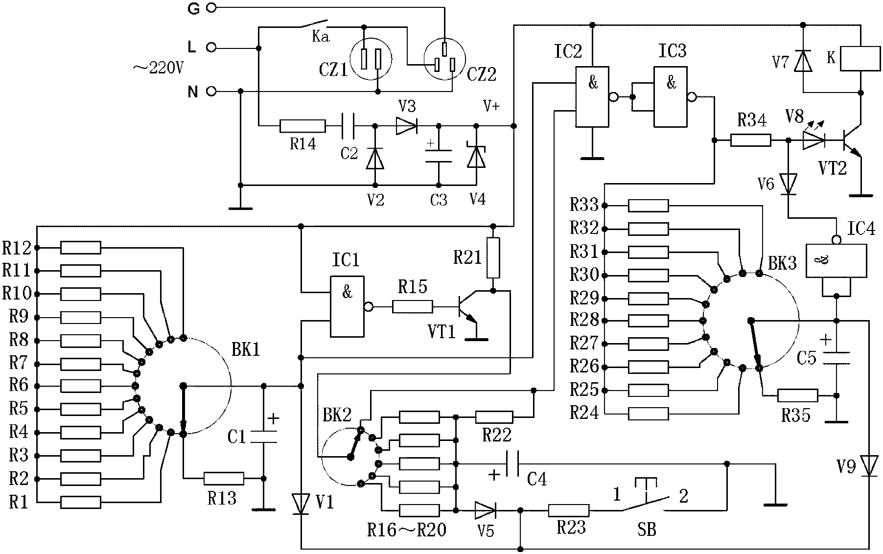
cn104092450b_由与非门构成的定时插座电路失效
图片尺寸1804x1132
完成下列电路图其中三孔插座带保险丝
图片尺寸436x176
家用电器定时插座电路
图片尺寸1160x470
带保险盒的插座和接冰箱用的三孔插座正确接入如下图的电路中
图片尺寸588x221
一种交流控制的插座电路的制作方法
图片尺寸1000x519
图3-17 声控电源插座电路图
图片尺寸1175x458
家庭电路图开关插座
图片尺寸1130x618
两款一体化红外接收头遥控电源插座电路及线路板图
图片尺寸798x490