摆布机图纸

曲柄摇杆式摆布机的改进
图片尺寸972x519
一种布料摆布机
图片尺寸1945x1752
背景技术:在刷毛流程中,需要将色坯布进行整平,整平机具有摆布,对边
图片尺寸1000x585
一种调节摆幅的剖布机摆动结构的制作方法
图片尺寸1000x895
cn107558070a_一种纺织印染用摆布机失效
图片尺寸1618x1548
铺布装置和铺布机制造方法及图纸
图片尺寸1000x984
一种摆布机上料装置_专利查询 - 企查查
图片尺寸1818x1725
一种具有去除线头及灰尘功能的摆布机-爱企查
图片尺寸868x1000
一种摆布机上料装置_专利查询 - 企查查
图片尺寸913x866
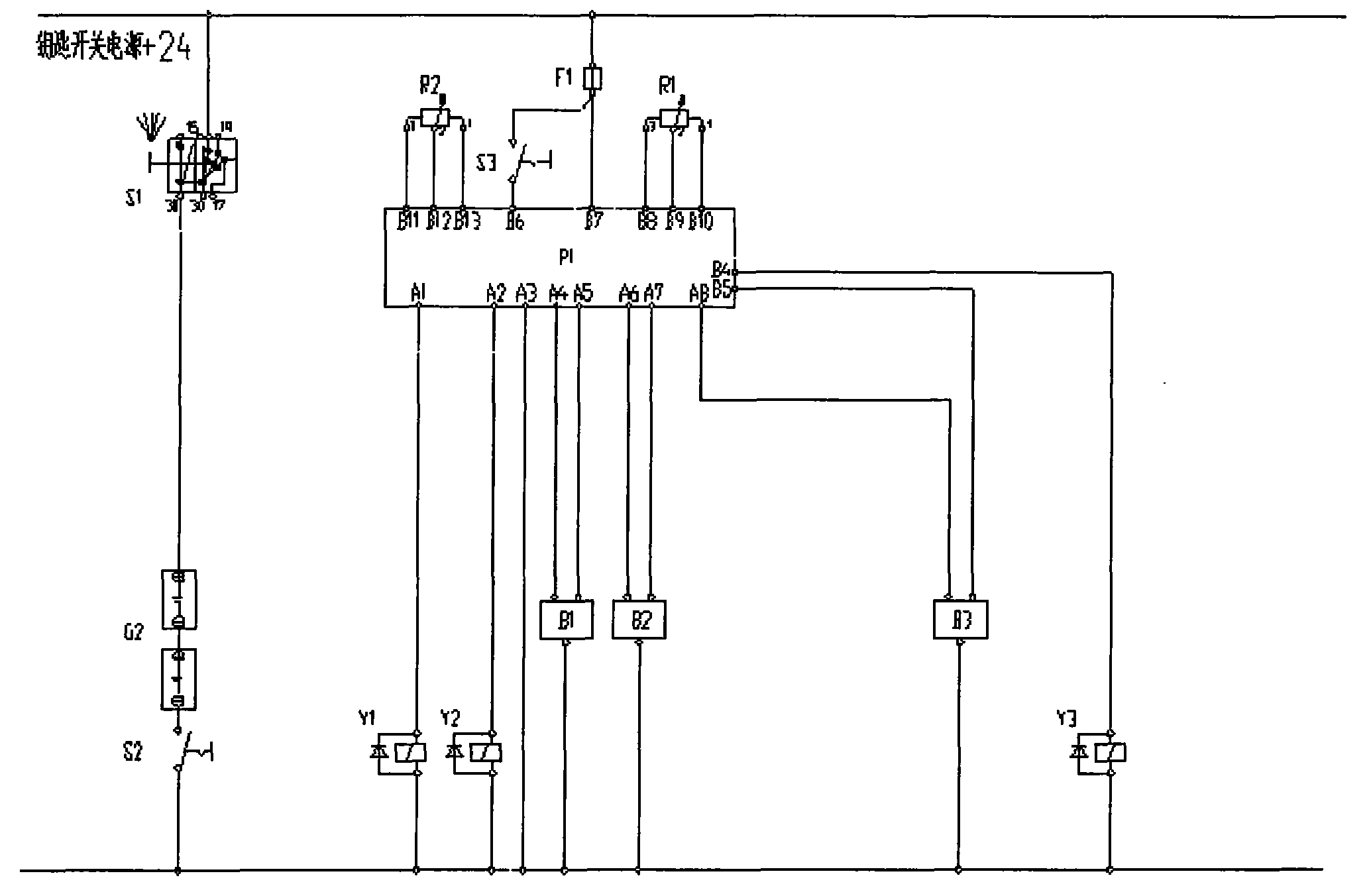
容量(kw)摆布或卷装落布方式40~220烘房温度(℃)2~10烘房节数导热油
图片尺寸956x675
cn107500016a_水平工作岩棉摆锤式布棉机在审
图片尺寸549x599
背景技术:1,松布机一般由布机架,送布机构和摆布机构组成,布料会随着
图片尺寸1537x1535
一种能够自动校准的验布机的制作方法
图片尺寸974x1000
二维摆动抛光机
图片尺寸2057x2929
与染色机喷嘴走布管配合的后摆布装置制造方法及图纸
图片尺寸1000x585
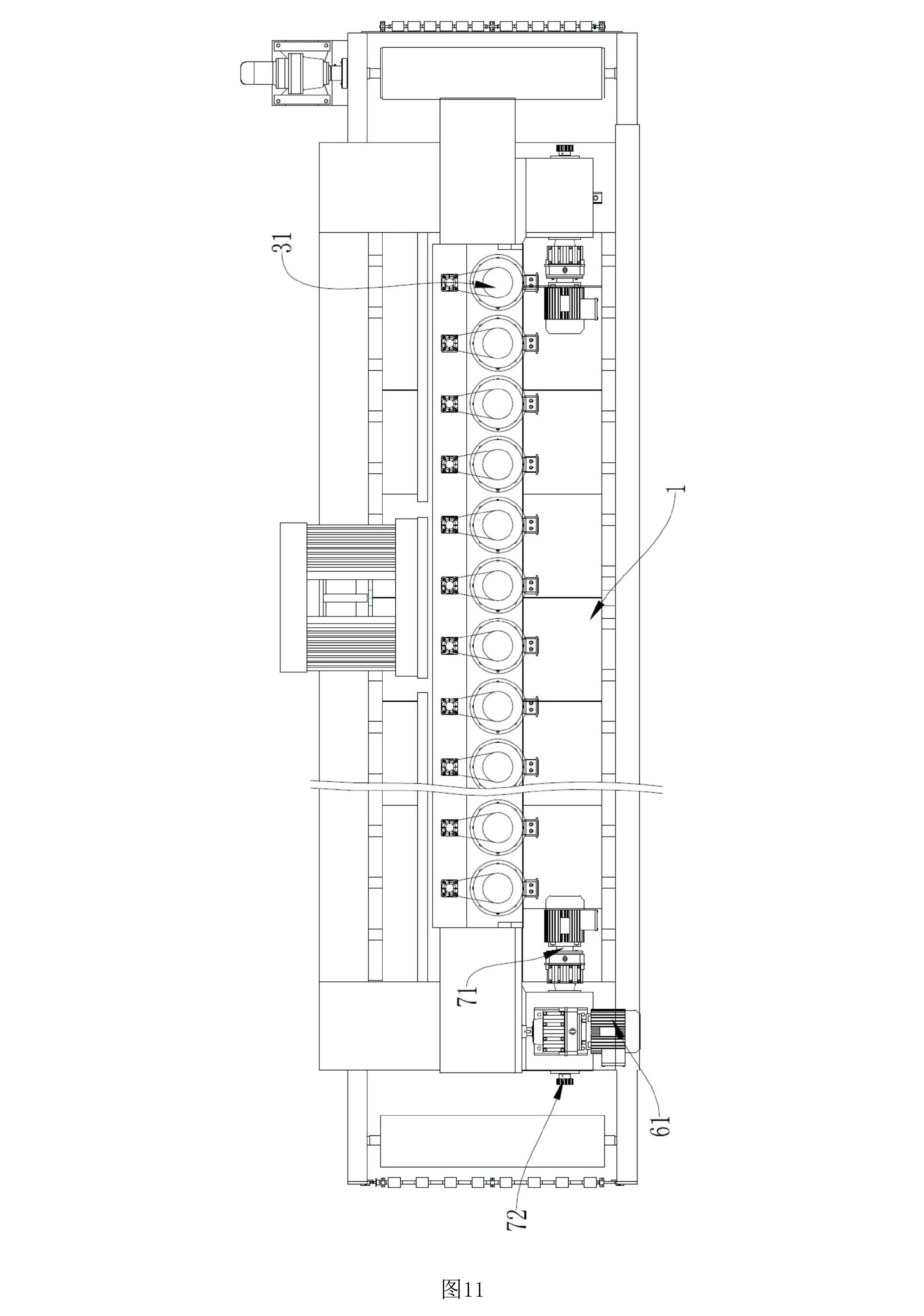
7,拖布辊6之间通过,最后经导辊8,摆布器9将布前后摆动导入支布车10中
图片尺寸3074x2311
qh-210自动松布机 变频松布机 摆布机 放布机
图片尺寸946x943
毛织针织印染纺织面料退布松布机 变频自动摆布松布退布机可制造
图片尺寸750x750
染色机多维摆布装置制造方法及图纸
图片尺寸1000x639
摊铺机振捣转速与行走速度相关联自动控制系统
图片尺寸2066x1352