攻丝机电路图讲解

这个电路用的少,为什么还要学 这个电路的功能是一键启停,这个电路在
图片尺寸1506x934
三菱plc伺服控制攻丝机电路图_第1页
图片尺寸1859x2631
m7130型卧轴矩台平面磨床电路运行原理
图片尺寸2000x1087
电工电路分享 功能:一个按钮开关根据工况控制两台电机.
图片尺寸1920x1080
y7131 型齿轮磨床电气控制线路
图片尺寸960x720
车床主轴箱箱体左侧8-m8螺纹攻丝机设计cad截图02
图片尺寸865x605
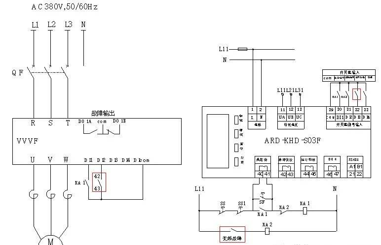
电工电路,这张图中两个触点的作用是什么 这两个触点的作用其实就是
图片尺寸1896x1057
资料,ssb6fe290101引脚图,ssb6fe290101电路-datasheet-电子工程世界
图片尺寸1100x1000
自动钻孔攻丝机床的plc控制
图片尺寸1151x520
小型电动螺丝刀电路图
图片尺寸960x1280
台式攻丝机-主轴正反转的原理,请教
图片尺寸410x342
风机启动按钮接线图
图片尺寸1717x1459
朗风t44amr25-3p在电动攻丝机上的应用
图片尺寸605x625
新手必看怎么样看懂电动机正反转电路图
图片尺寸910x602
雷总电气入门讲堂,电机自锁回路.
图片尺寸3561x2003
三菱plc伺服控制攻丝机程序附注释doc
图片尺寸920x1304
一种伺服攻丝机控制系统
图片尺寸1839x1295
其作用是实现在整个启动过程无冲击而平滑的起动电机,防止起动阶段
图片尺寸772x498
一种攻丝机气动刹车装置-爱企查
图片尺寸1752x2070
行程开关控制电动机自动停止电路接线图
图片尺寸588x431