数字电压表仿真

p>多功能数字电压表是产品名称 /p>
图片尺寸2163x1262
p>数字电压表是指表面从指针改为数字的 a href="#" data-lemmaid="
图片尺寸1600x948
基于atmel 51单片机开发平台和自动控制原理的数字电压表系统_仿真
图片尺寸730x390
基于atmel 51单片机开发平台和自动控制原理的数字电压表系统_仿真
图片尺寸754x312
交流电压表数显 220v 380v 数字交流电压表 ac30v-500测电压表 红色
图片尺寸800x800
数字电压表数显直流电压表0100v小型三线微型电压表036红色带壳
图片尺寸750x1178
直流数字电压表
图片尺寸200x115
原理图数字电压表仿真电路图仿真电路图系统框架同时,数字电压表测量
图片尺寸720x531
虚拟电压表功能,可测量实验中实际产生的模拟信号,数字信号,通过pc
图片尺寸519x426
56寸led数字电压表 dc4.5v-30.0v 反接保护 红色4.50-30v
图片尺寸763x487
防水12v汽车车载直流数显数字电压表摩托车车用改装电子电压表红色
图片尺寸700x500
数字电流电压表
图片尺寸268x151
智能数字电压表
图片尺寸131x108
智航直流电压电流表数显双显12v24v高精度电流电压表数字双显表头红蓝
图片尺寸800x800
强度(数字)输入通道4,6 或 8 个 flexchannel03 输入每个 flex
图片尺寸1024x1024
高压直流发生器60kv/5ma_电压_技术_试验
图片尺寸649x442
led数码管两线电压表dc5v120v直流数显表数字电压表头指示显示器直流
图片尺寸790x906
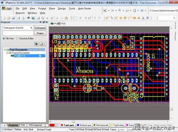
pcb图原理图数字电压表仿真电路图仿真电路图系统框架同时,数字电压表
图片尺寸720x535
多功能数字电压表
图片尺寸211x202
电阻两端的电压用直流数字电压表测量
图片尺寸660x337