数码管5611as引脚图

数码管引脚图
图片尺寸1024x543
1位数码管引脚接线图
图片尺寸1189x811
厂家直销 led数码管 专业生产各类仪表显示器数码管0.3.
图片尺寸434x304
二位led数码管的引脚个数及名称,用途
图片尺寸636x303
数码管引脚图
图片尺寸600x461
常见的一/二/四位数码管引脚图详解
图片尺寸341x303
36英寸数码管 3261as 2位数码管 双8数码管 led数码管工厂
图片尺寸861x1259
数码管引脚图解
图片尺寸429x357
5611ah 数码管 引脚图_5161as引脚图-csdn博客
图片尺寸693x518
数码管引脚
图片尺寸893x1263
数码管0.56英寸一位共阳红色 5161bh 5611bh sm410561 hs5611bs
图片尺寸674x543
数码管引脚
图片尺寸571x439
一位共阳极led数码管的引脚
图片尺寸430x226
图1.2 cl5461as 数码管管脚图
图片尺寸369x286
56英寸1位led数码管高亮白光共阴5611as数码管可选共阳
图片尺寸750x791
一位数码管的管脚图
图片尺寸298x246
数码管引脚图齐全
图片尺寸415x316
4英寸2位红色共阴led数码管共阳红光 4021as/bs 20mm*16mm
图片尺寸649x722
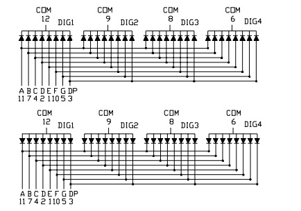
数码管脚示意图
图片尺寸902x532
数码管和单片机
图片尺寸764x350