文昌数控刀架接线图

四工位刀架控制图
图片尺寸724x423
数控车床刀架线路的安装
图片尺寸1080x810
定制宏达亚兴新墅文昌三和艺喆数控刀架控制盒数控电动刀架接线盒四
图片尺寸750x386
广数980tdb刀架接线图
图片尺寸424x260![[转载]数控车床四工位刀架电气控制原理](https://i.ecywang.com/upload/1/img0.baidu.com/it/u=993470500,2978696121&fm=253&fmt=auto&app=138&f=PNG?w=640&h=342)
[转载]数控车床四工位刀架电气控制原理
图片尺寸640x342
数控车床电动刀架的设计【7张cad图纸 毕业论文 任务书 开题报告】
图片尺寸701x496
【】宏达发讯盘14/15t数控电动刀架发讯盘车床发信盘机床四工位发询盘
图片尺寸790x1792
c5116立式车床的数控化改造电气原理图
图片尺寸841x594
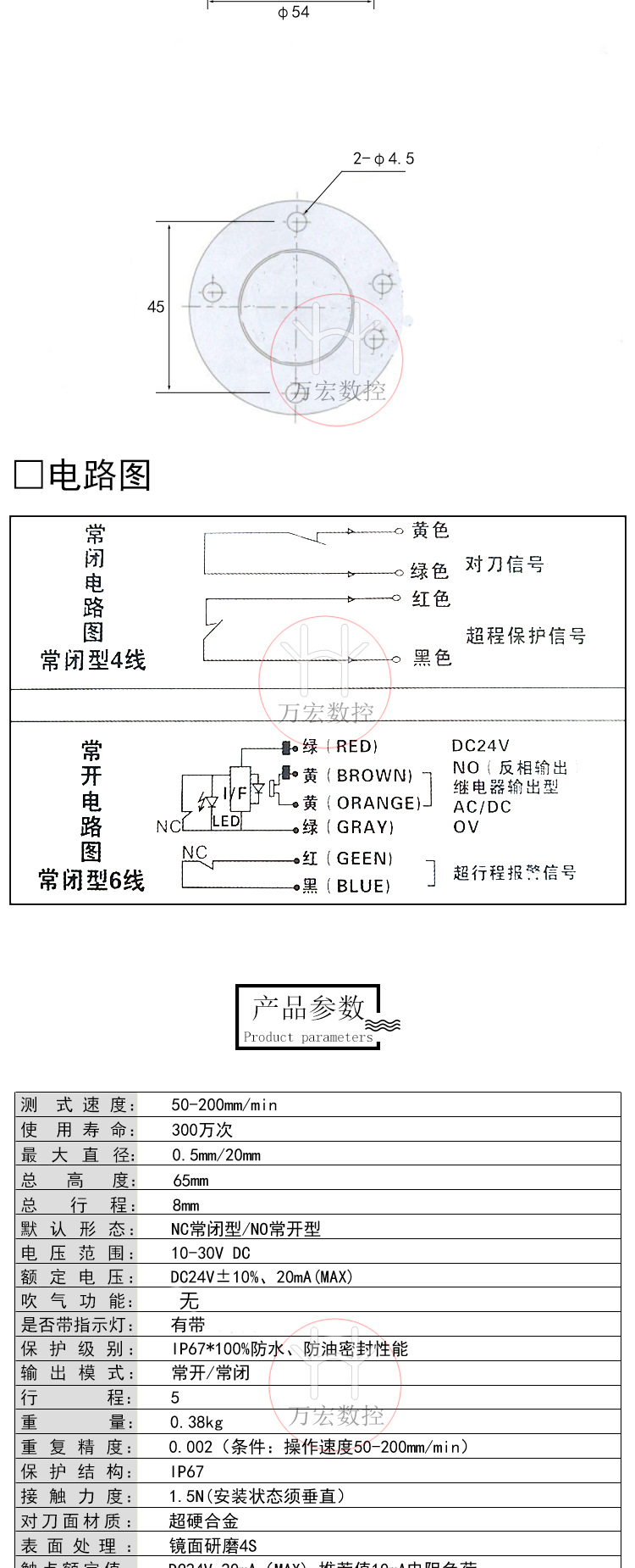
自动加工中心对刀仪 z轴对刀器对刀块 cnc数控雕刻机对刀仪高精度
图片尺寸790x1098
c5116立式车床的数控化改造电气原理图
图片尺寸841x594
宏达ld40625电动刀架抬起立式电动数控机床刀架抬起刀架
图片尺寸600x771
数控车床自动回转刀架设计
图片尺寸841x594
数控车四方刀架故障分析
图片尺寸925x542
数控机床电动刀架拆装及调试
图片尺寸960x720
数控车床自动回转刀架plc控制系统设计
图片尺寸943x546
数控车床自动回转刀架设计
图片尺寸384x425
四工位的自动回转刀架设计图纸
图片尺寸607x441
数控电动刀架控制线/金属网11芯控制线宏达/新墅/文昌/三和刀架线 4米
图片尺寸800x800
新代数控系统#自动化设备 io接线图 - 抖音
图片尺寸1280x720
雕刻机高精防撞有线对刀仪维宏 mahc3加工中心通用型对刀块
图片尺寸750x1850